EasyManua.ls Logo

LG LAN180HSV - Page 32

LG LAN180HSV
83 pages
Print Icon
To Next Page IconTo Next Page
To Next Page IconTo Next Page
To Previous Page IconTo Previous Page
To Previous Page IconTo Previous Page
Loading...
6RMI0-02A
31
Inverter Single
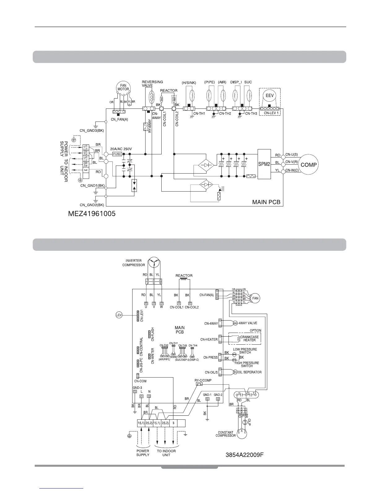
Wiring diagrams
Inverter Single
Models: ASUW303DGH1(LSU306HV)
Models: ASUW1838UH1(LAU186HV), ASUW2438UH1(LAU246HV), ASUW2435SZ1(LSU246HV)
Inverter Single

Other manuals for LG LAN180HSV

Related product manuals