EasyManua.ls Logo

LG LB-E4881CL - Page 15

LG LB-E4881CL
54 pages
Print Icon
To Next Page IconTo Next Page
To Next Page IconTo Next Page
To Previous Page IconTo Previous Page
To Previous Page IconTo Previous Page
Loading...
15
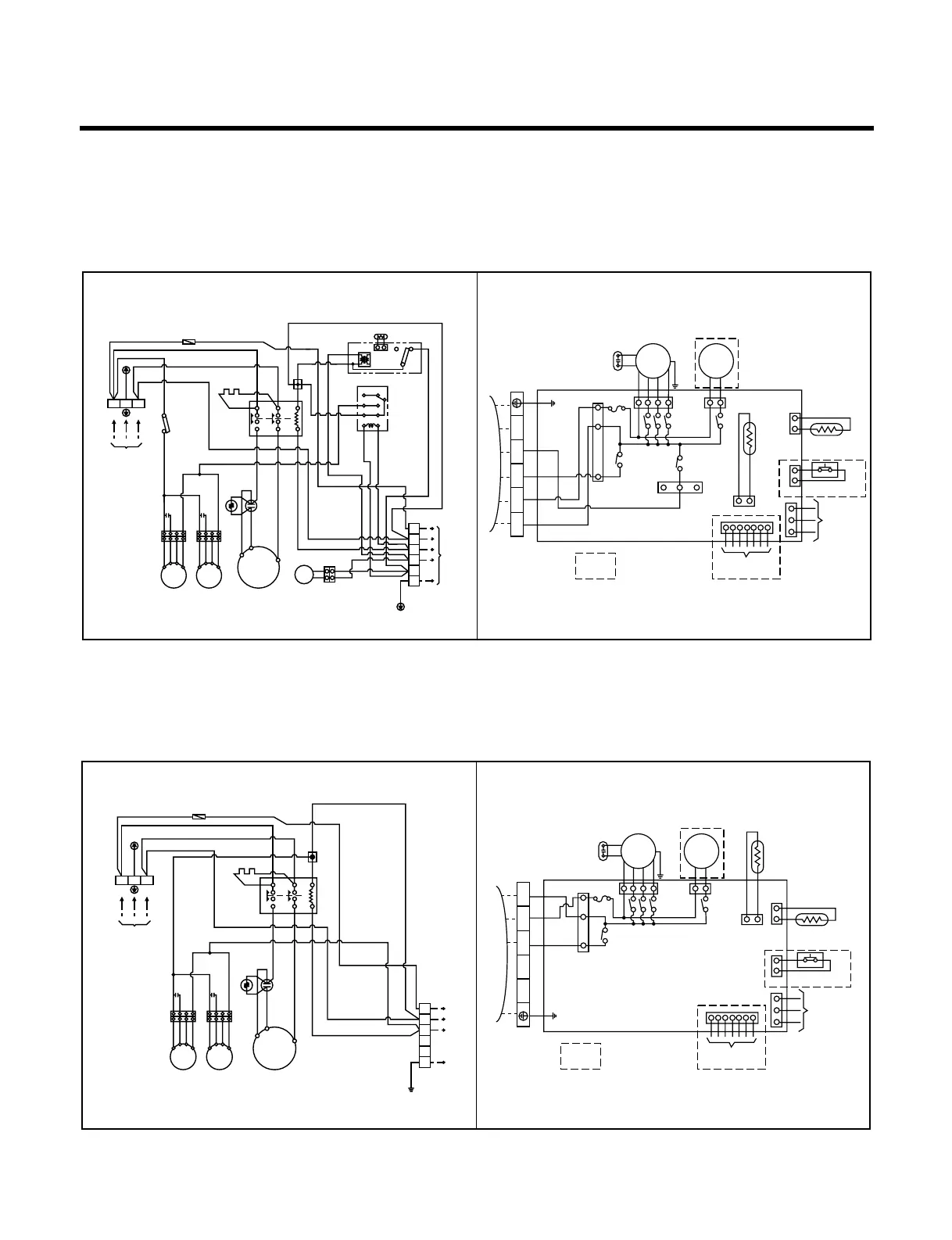
HEAT PUMP
Model : LB-F3661HL/LB-F3663HL
COOLING ONLY
Model : LB-F3661CL/LB-F3663CL
OUTDOOR WIRING DIAGRAM INDOOR WIRING DIAGRAM
78
1TM
220-240V
1Ø, 50Hz
POWER SUPPLY
BK
63H2
52C
L1 L2
T1 T2
A2
A1
BK
WH
BK
52F1
12
34
56
TNS
NO
C TH
NC
D.P
WH
BK
WH
BK
WH
BL
RD
GN/YL
BLBK
YL
WH
T/B1
F1
BK
WH
WH
WH
Co
OR YL
Co
OR
FMo1
49FMo
3854A20025G
FMo2
49FMo
20SV
YL
BKBK
BR
BK
BL
BK
WH
BK BK
BK BK
GN/YL
Tmo
To the indoor unit
WH
GN/YL
23
LN
1
2
3
4
5
6
CH1
BK
WH
RD
R
C
S
CM
Cr
PTCR
INDOOR
MOTOR
DRAIN
PUMP
BR
BR
BL
RD
BK
GN/YL
YL
OR
RD
BL
BL
BL
BK
GN/YL
COMP
4 WAY
FUSE
250V10A
ROOM.
THERMISTOR
PIPE
THERMISTOR
FLOAT S/W
REMOTE
CONTROL
ZONE
CONTROL
OPTIONAL
EXTRA
TERMINAL
BLOCK
TO OUTDOOR UNIT
3854A20031X
3(L) 4(N) 5 6 7

Table of Contents

Related product manuals