EasyManua.ls Logo

LG LB-F3660HL - Page 10

LG LB-F3660HL
41 pages
To Next Page IconTo Next Page
To Next Page IconTo Next Page
To Previous Page IconTo Previous Page
To Previous Page IconTo Previous Page
Loading...
Model: LB-F3660CL
(1) Indoor Unit
(2) Outdoor Unit
- 10 -
Copyright ©2008 LG Electronics. Inc. All right reserved.
Only for training and service purposes
LGE Internal Use Only
2
6
COi
GN/YL
FMi
TRANS
WH
BL
BK
GN/YLGN/YL
OR
CN-TRANS2
PWB ASM
CN-POWER
CN-TRANS1
Hi Med Low
CN-MOTOR
RY-FAN
RY-4WAY
RY-COMP
CN-OUT
CN-TH
EVA
TH
ROOM
TH
1
3
6
DC-12V
SIGNAL
GND
Re
CN-REMO
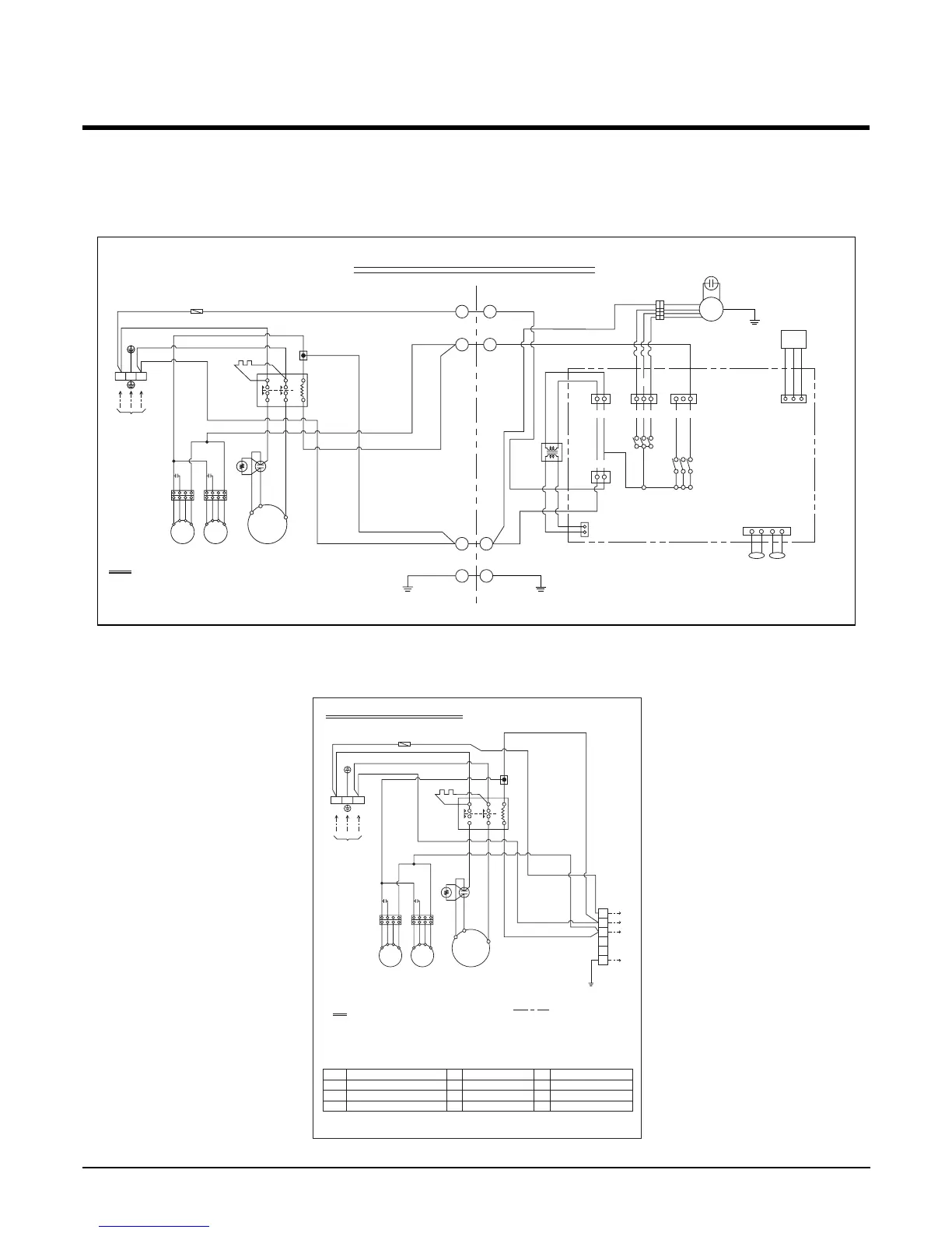
INDOOR ELECTRIC CIRCUIT
INDOOR UNITOUTDOOR UNIT
(
RD
)
(
YL
)
(
BR
)
P/NO : 3854A20025H
3
2
1TM
220-240V
1Ø, 50Hz
POWER SUPPLY
BK
52C
L1
T1
L2
T2
A2
A1
BK
WH
WH
WH
T/B
F1
BK
WH
WH
BK
WH
RD
R
C
S
BR
Co
OR
YL
Co
OR
FMo1 FMo2
CM
YL
BKBK
BK
BL
BK
WH
GN/YL
23
NL
WH
WH
1
NOTE
BL : BLUE
BK : BLACK
BR : BROWN
OR : ORANGE
RD : RED
WH : WHITE
GN/YL : GREEN/YELLOW
CH1
Cr
PTCR
Outdoor Unit Wiring Diagram
NOTE
BL : BLUE
BK : BLACK
BR : BROWN
OR : ORANGE
52C
TMo
Cr
CM
MAGNECTIC CONTACTOR
TERMINAL BLOCK
RUN CAPACITOR FOR CM
COMPRESSOR
TM
FMo
F1
MAIN TERMINAL BLOCK
OUTDOOR FAN MOTOR
FUSE(250V, 5A)
Co
CH1
RUN CAPACITOR FOR FMo
CRANK CASE HEATER FOR CM
P/NO : 3854A20025J
RD : RED
WH : WHITE
WIRING OF FIELD
(CONNECTING WIRE)
GN/YL : GREEN/YELLOW
1TM
220-240V
1Ø, 50Hz
POWER SUPPLY
BK
52C
L1 L2
T1 T2
A2
A1
BK
WH
WH
BK
WH
BL
GN/YL
T/B
F1
BK
WH
WH
Co
OR YL
Co
OR
FMo1 FMo2
YL
BKBK
BR
BK
BL
BK
BK
WH
GN/YL
To the indoor unit
WH
GN/YL
23
LN
TMo
1
2
3
4
5
6
CH1
BK
WH
RD
R
C
S
CM
Cr
PTCR

Related product manuals