EasyManua.ls Logo

LG MULTI V ARNU123NJA4 - Refrigerant Piping Diagrams

LG MULTI V ARNU123NJA4
94 pages
Print Icon
To Next Page IconTo Next Page
To Next Page IconTo Next Page
To Previous Page IconTo Previous Page
To Previous Page IconTo Previous Page
Loading...
34
Multi V Ducted Indoor Units
Due to our policy of continuous product innovation, some specifications may change without notification.
©LG Electronics U.S.A., Inc., Englewood Cliffs, NJ. All rights reserved. “LG” is a registered trademark of LG Corp.
GENERAL DATA
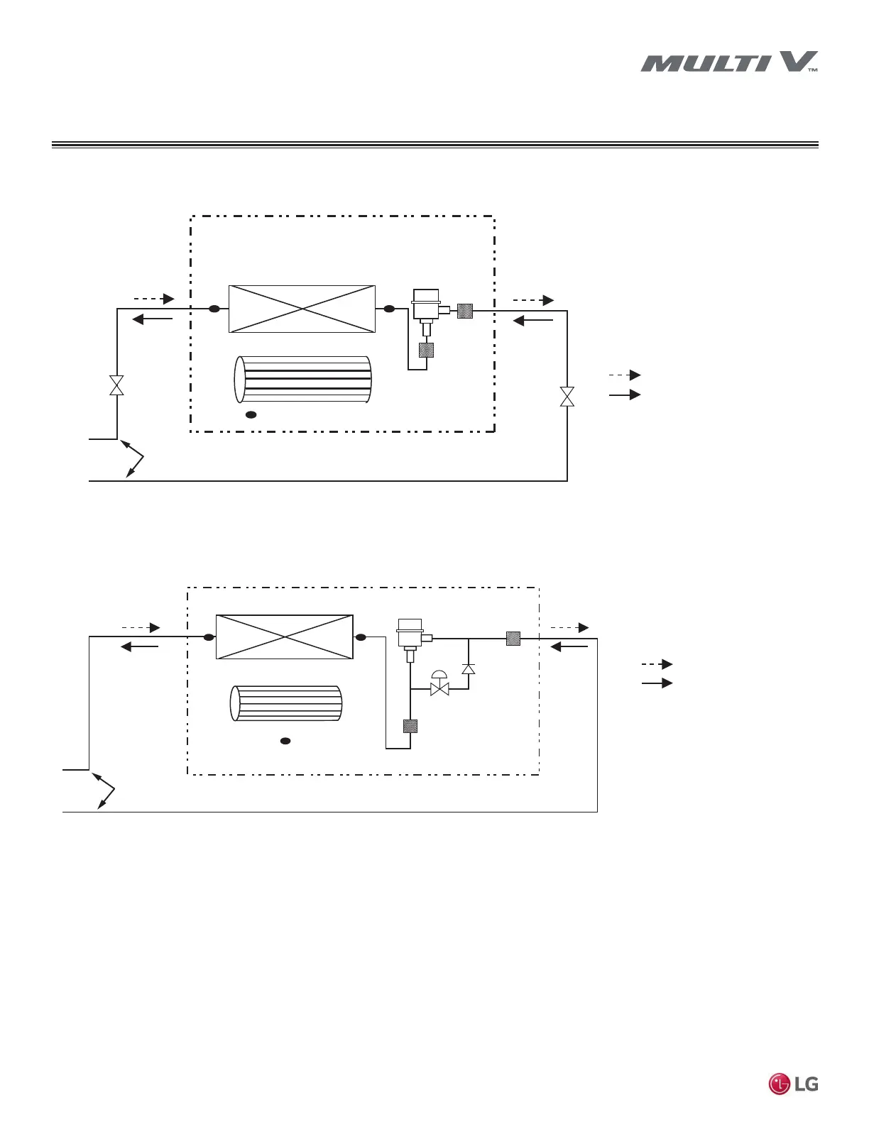
Refrigerant Piping Diagrams
Figure 8: High-Static Ducted M2/M3, Convertible Mid Static Ducted MA, Mid Static Ducted M1/M2/M3, Low-Static Ducted L1/L2/L3, and Vertical Air
Handling Unit NJ/NK Refrigerant Piping Diagram.
Figure 9: High-Static Ducted B8 Refrigerant Piping Diagram.
Heating
Cooling
Th1 = Thermistor, Return Air
Th2 = Thermistor, Pipe In
Th3 = Thermistor, Pipe Out
EEV = Electronic Expansion Valve
Heat Exchanger
Sirocco Fan
Th3
Th2
EEV
Filter
Filter
Th1
lndoor Unit
Refrigerant Pipes
to Outdoor Unit
Flare Nut
Liquid Line
Vapor
Line
Flare Nut
Heat Exchanger
Sirocco Fan
TH3
TH1
TH2
lndoor unit
EEV
Filter
Check
Valve
Solenoid Valve
Filter
Cooling
Heating
Th1 = Thermistor, Return Air
Th2 = Thermistor, Pipe In
Th3 = Thermistor, Pipe Out
EEV = Electronic Expansion Valve
Refrigerant Pipes
to Outdoor Unit
Liquid Line
Vapor
Line

Table of Contents

Related product manuals