EasyManua.ls Logo

LG RAT375 - Page 40

LG RAT375
47 pages
Print Icon
To Next Page IconTo Next Page
To Next Page IconTo Next Page
To Previous Page IconTo Previous Page
To Previous Page IconTo Previous Page
Loading...
A
1
2
3
4
5
6
7
8
9
10
11
12
B C D E F G H I J K L M N O P Q R ST
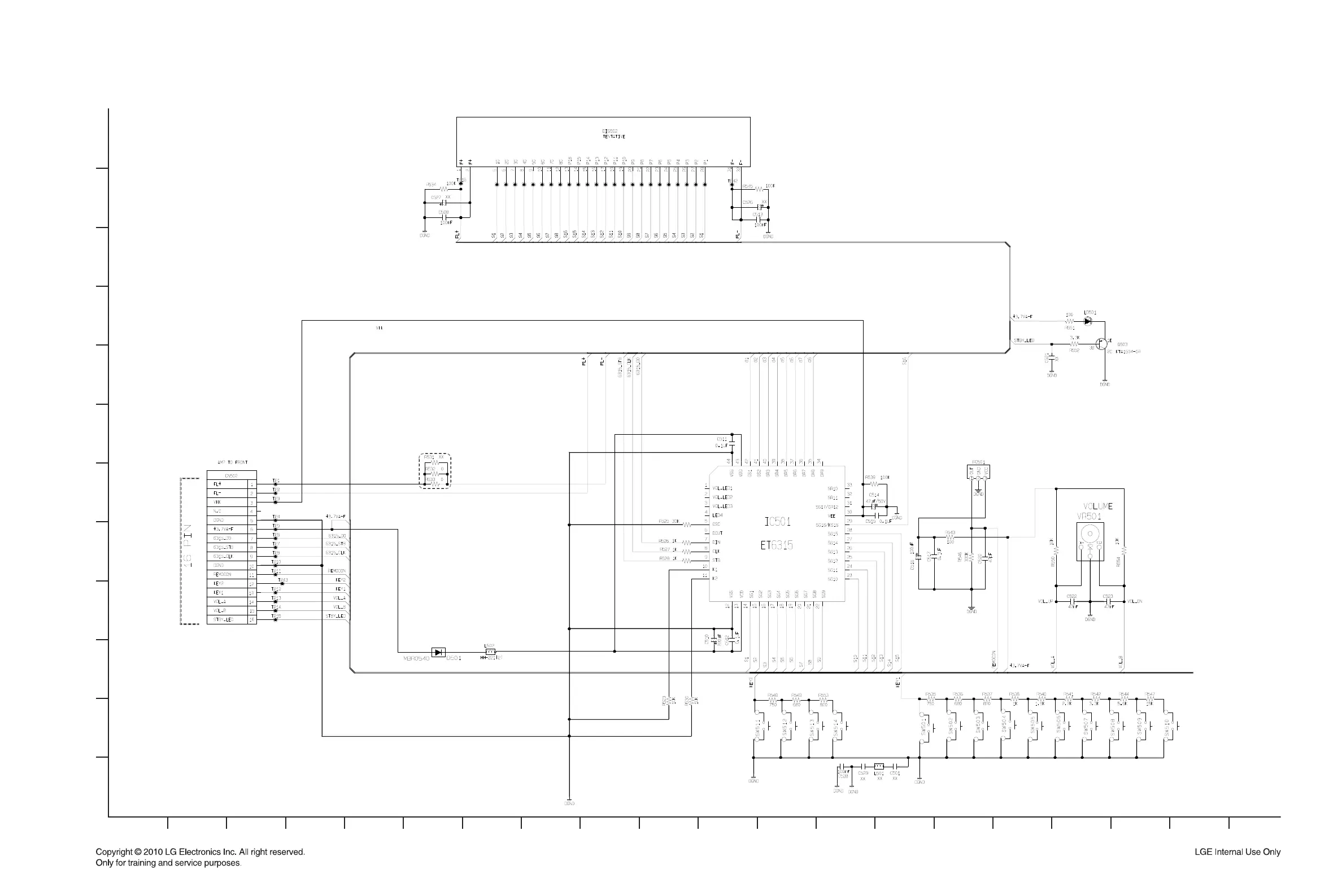
FRONT RAT375
EBY56948501 Rev 1.13
5. FRONT CIRCUIT DIAGRAM
3-29 3-30

Other manuals for LG RAT375

Related product manuals