EasyManua.ls Logo

LG RM2U15.U18 - 5. Field Wiring

LG RM2U15.U18
46 pages
Print Icon
To Next Page IconTo Next Page
To Next Page IconTo Next Page
To Previous Page IconTo Previous Page
To Previous Page IconTo Previous Page
Loading...
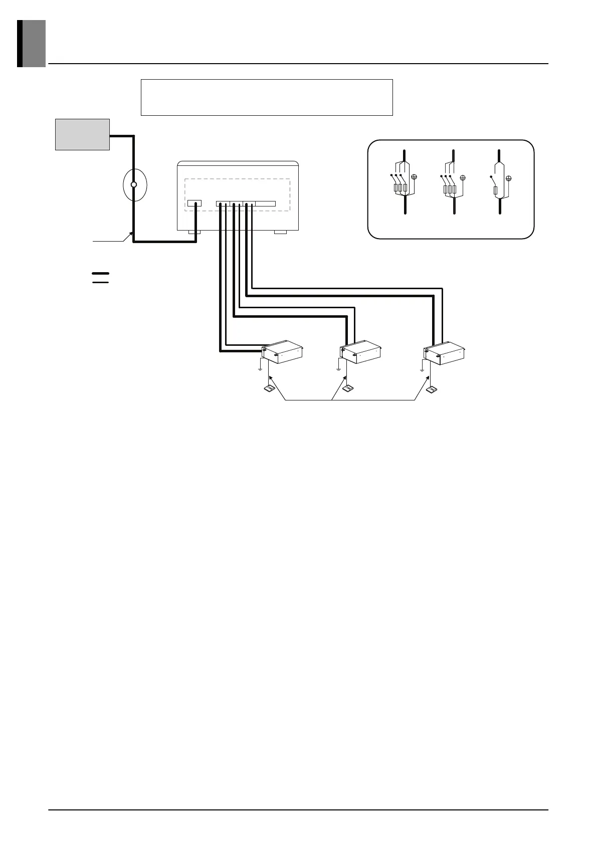
Power Line
Communication Line
(Main Switch)
Outdoor
Power Supply
Power Supply
T/B
Indoor Unit Power and Communication T/B
Indoor(A) Indoor(B)
....
Indoor(C)
Indoor Unit
Indoor Unit
Indoor Unit
!! This System is representative Example.
!! * : Actual combination of indoor units and BD units
may be different by Product line-up of region or Product Type.
R S T N
Switch
Fuse
R S T
Switch
Fuse
L N
Switch
Fuse
3 Phase
4 Wires
3 Phase
3 Wires
1 Phase
2 Wires
**
**
........
: Power Line
: Communication Line
*
*
Wiring of Main Power Supply
Bear in mind ambient conditions (ambient temperature,direct sunlight, rain liquid,etc.) when proceeding with the wiring and
connections
The wire size is the minimum value for metal conduit wiring. The power cord size should be 1 rank thicker taking into
account the line voltage drops. Make sure the power-supply voltage does not drop more than 10%.
Specific wiring requirements should adhere to the wiring regulations of the region.
Power supply cords of parts of appliances for outdoor use should not be lighter than polychloroprene sheathed flexible cord
(design 60245 IEC57).
Don't install an individual switch or electrical outlet to disconnect each of indoor unit separately from the power supply.
< ! > WARNING
Make sure to use specified wires for connections so that no external force is imparted to terminal connections.
If connections are not fixed firmly, it may cause heating or fire.
Make sure to use the appropriate type of overcurrent protection switch. Note that generated overcurrent may include some
amount of direct current.
All Installation site must require attachment of an earth leakage breaker.
If no earth leakage breaker is installed, it may cause an electric shock.
Do not use anything other than breaker and fuse with correct capacity. Using fuse and wire or copper wire with too large
capacity may cause a malfunction of unit or fire.
Installation of Outdoor Unit
5. Field Wiring
Installation