EasyManua.ls Logo

LG VX8560 - Page 137

LG VX8560
235 pages
To Next Page IconTo Next Page
To Next Page IconTo Next Page
To Previous Page IconTo Previous Page
To Previous Page IconTo Previous Page
Loading...
LG Electronics Inc.
VX8560
2
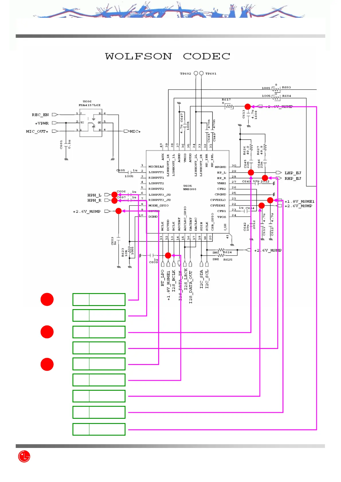
TP2
C606
HPH_L
TP3
C607
HPH_R
3
TP4
C645
LHP_EJ
TP5
C646
RHP_EJ
5
TP8
C603
DBVDD(WM8900)
TP9
C609
DCVDD(WM8900)
TP10
C611
CPVDDH1(WM8900)
TP11
C612
CPVDDH0(WM8900)
TP12
C613
AVDD(WM8900)
XZ^VYZ\
137/235
Z3X-BOX.COM

Related product manuals