EasyManua.ls Logo

LG VX8560 - Page 151

LG VX8560
235 pages
Print Icon
To Next Page IconTo Next Page
To Next Page IconTo Next Page
To Previous Page IconTo Previous Page
To Previous Page IconTo Previous Page
Loading...
LG Electronics Inc.
VX8560
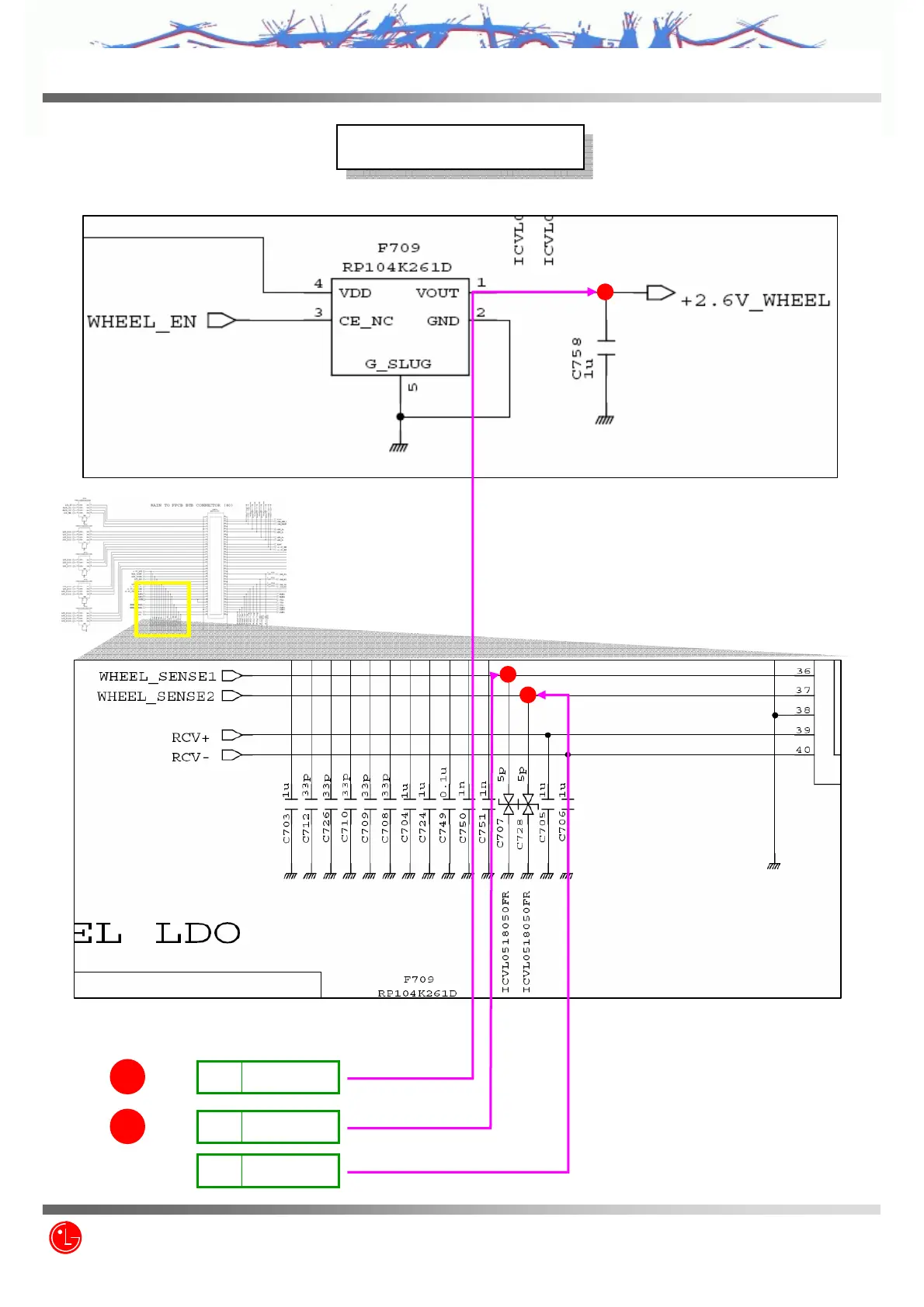
Circuit Diagram
Circuit Diagram
1
TP1
C758
+2.6V_WHEEL
2
TP2
C707
WHEEL_SENSE1
TP3
C728
WHEEL_SENSE2
X\XVYZ\
151/235
Z3X-BOX.COM

Related product manuals