EasyManua.ls Logo

LG VX8560 - Page 221

LG VX8560
235 pages
Print Icon
To Next Page IconTo Next Page
To Next Page IconTo Next Page
To Previous Page IconTo Previous Page
To Previous Page IconTo Previous Page
Loading...
LG Electronics Inc.
VX8560
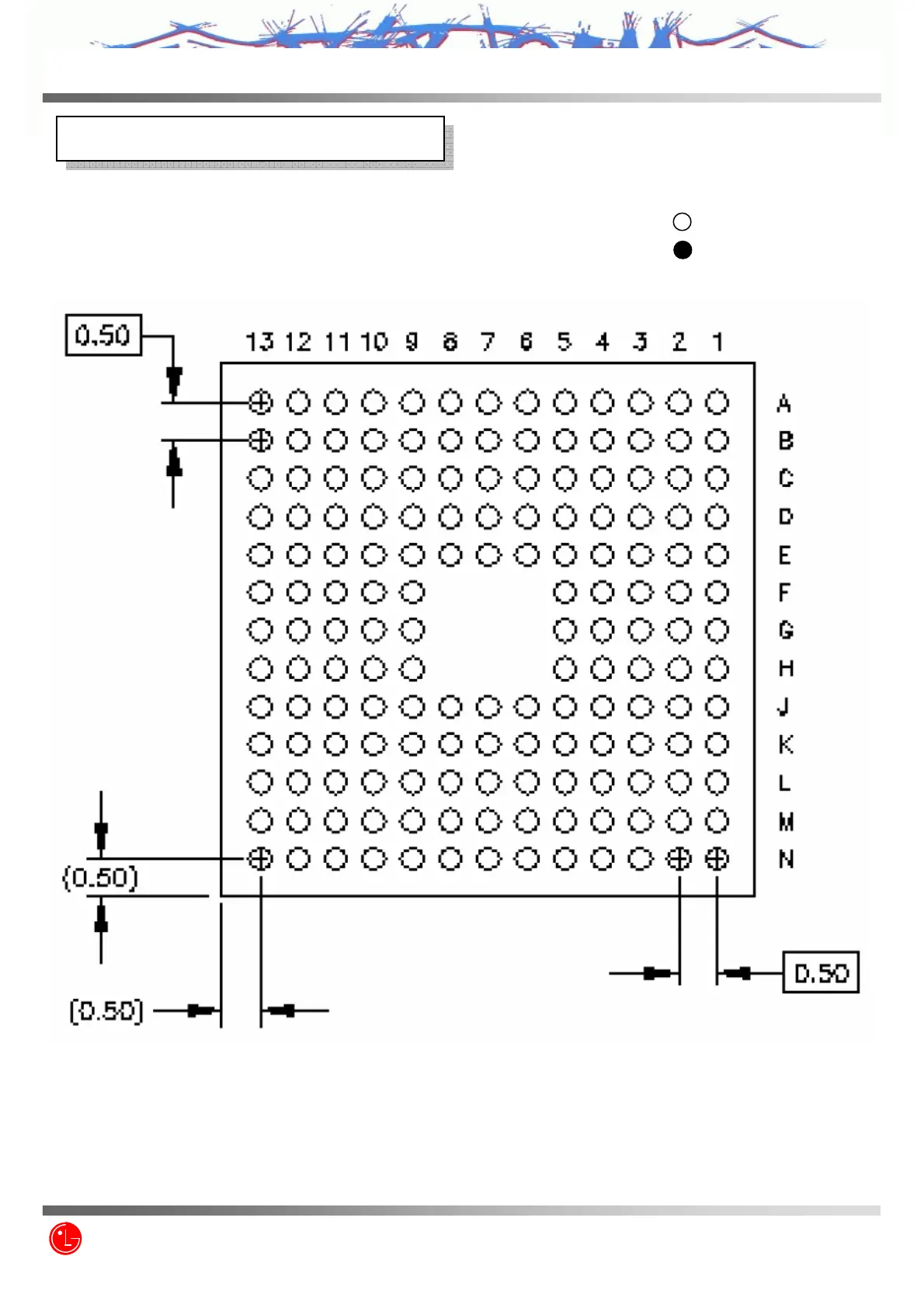
6-5. U510 [TCC8322]
6-5. U510 [TCC8322]
USED PIN
NOT USED PIN
YYXVYZ\
221/235
Z3X-BOX.COM

Related product manuals