EasyManua.ls Logo

LG VX8560 - Page 77

LG VX8560
235 pages
Print Icon
To Next Page IconTo Next Page
To Next Page IconTo Next Page
To Previous Page IconTo Previous Page
To Previous Page IconTo Previous Page
Loading...
LG Electronics Inc.
VX8560
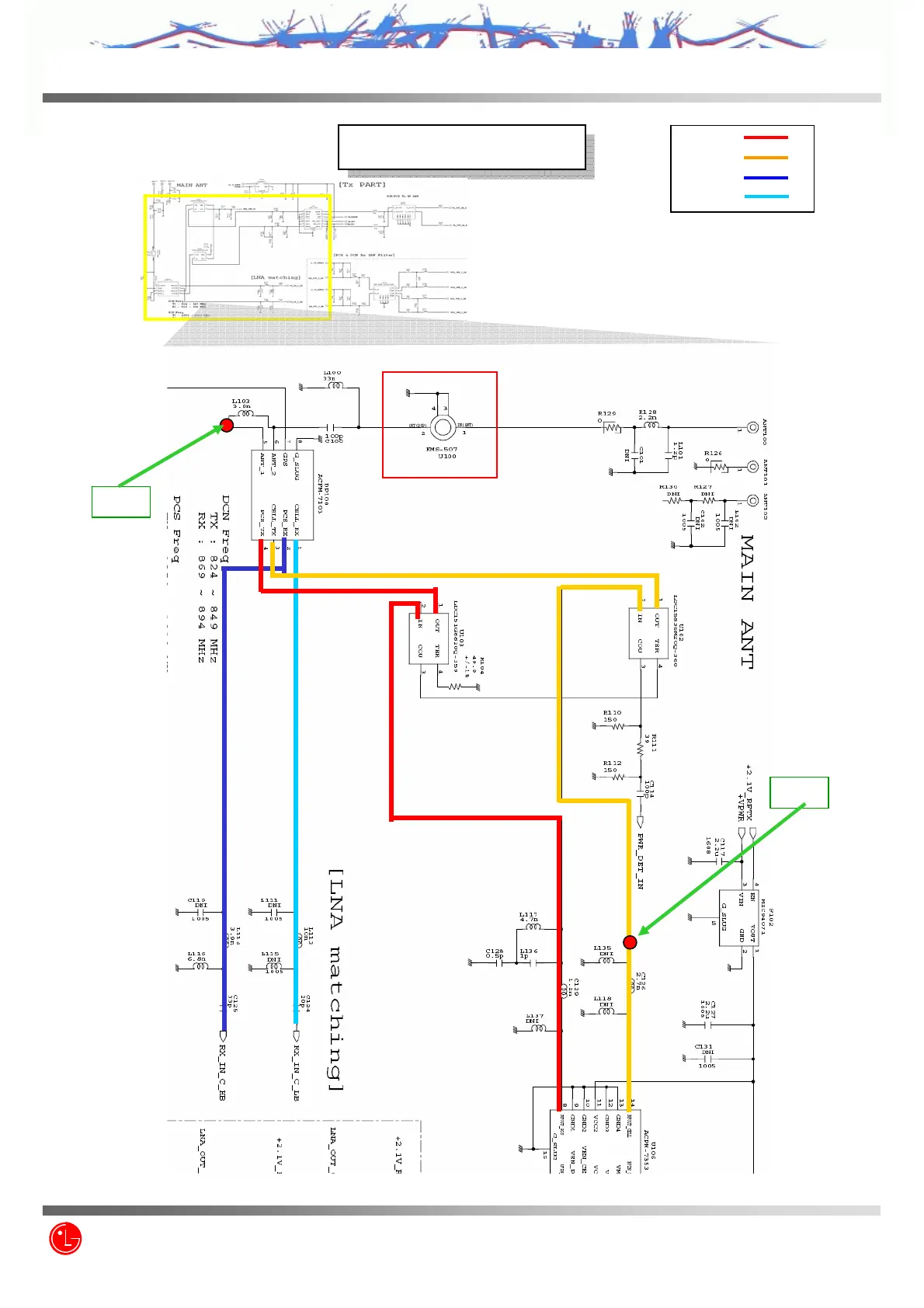
Circuit Diagram
Circuit Diagram
PCS Tx
DCN Tx
PCS Rx
DCN Rx
TP1
TP2
^^VYZ\
77/235
Z3X-BOX.COM

Related product manuals