EasyManua.ls Logo

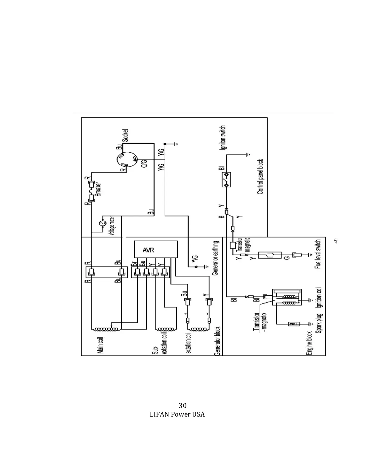
Lifan LF3750 - LF4000 EPL;LF4000 EPL-CA Diagram

Lifan LF3750
37 pages
Print Icon
To Next Page IconTo Next Page
To Next Page IconTo Next Page
To Previous Page IconTo Previous Page
To Previous Page IconTo Previous Page
Loading...
!
"#$%&!'()*+!,-%!
../0!#12345+678!'7+9!:(72!
;71!<3+*1=!%:!>.?0@!
A@@BC>DB>C@C!
)))E86F71G()*+347EH(I!
J/!
-5:9&(5=C:=F&
VEZ[BC()VEZ[BCY!")
.17145)*1<57<:)

Related product manuals