EasyManua.ls Logo

Lifetime 60318 - Page 84

Lifetime 60318
100 pages
Print Icon
To Next Page IconTo Next Page
To Next Page IconTo Next Page
To Previous Page IconTo Previous Page
To Previous Page IconTo Previous Page
Loading...
84
TOOLS AND PARTS REQUIRED / OUTILS ET PIÈCES REQUIS / INSTRUMENTAL Y HERRAJE REQUERIDOS
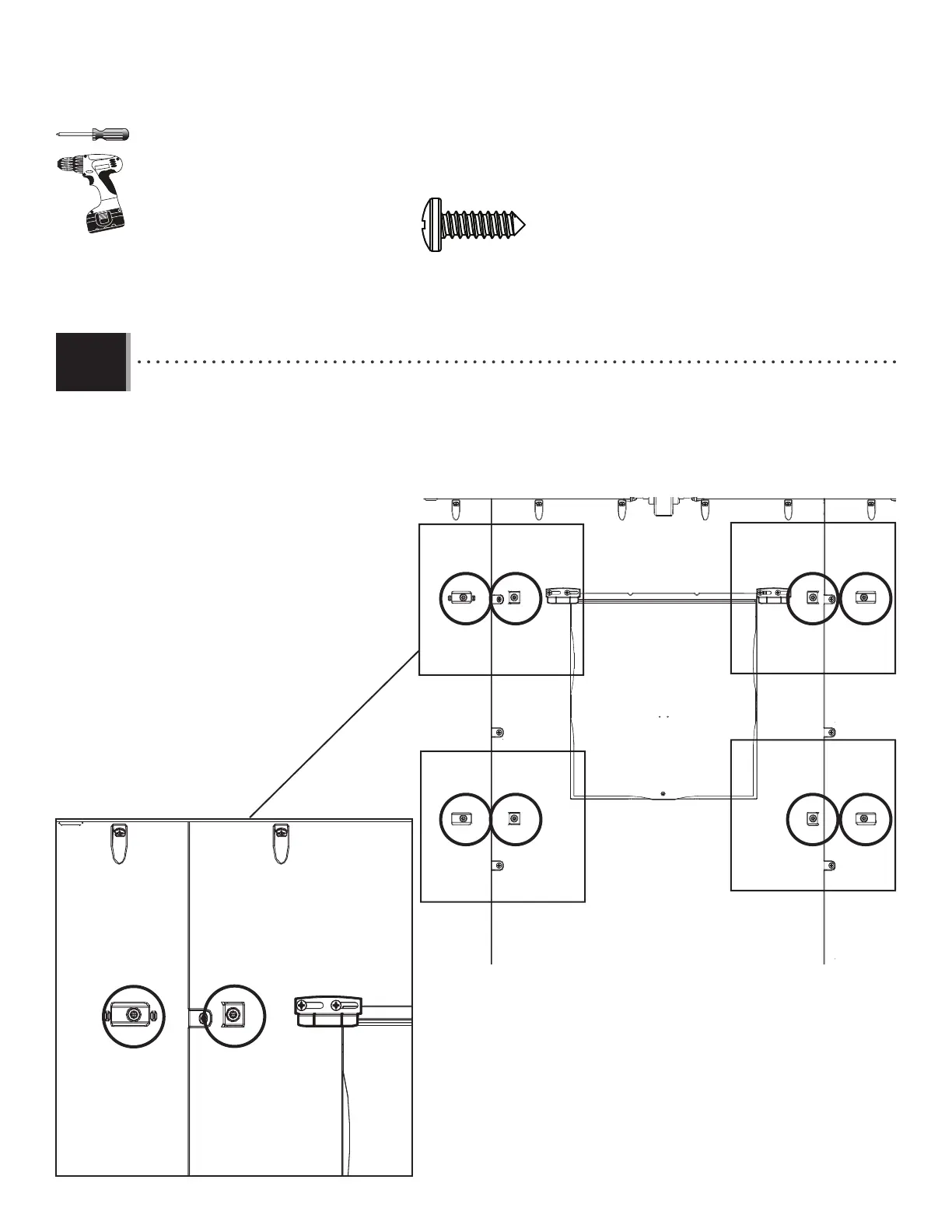
X SECTION 11 (CONTINUED) / SECTION 11 (SUITE) / SECCIÓN 11 (CONTINUACIÓN)
11.1
• There are four sets of two screw-location indicators. One by one, insert the Screws (ARV) through the indicators from the
inside of the shed outward, and attach the Shutters (AYI) to the outside of the Wall Panels. See step 11.2.
• Il y a quatre groupes de deux indicateurs pour l’emplacement des vis. Une par une, insérer les vis (ARV) à travers les
indicateurs de l’intérieur à l’extérieur, et attacher les volets (AYI) à l’extérieur des panneaux muraux. Voir l’étape 11.2.
• Hay cuatro juegas de dos indicadores para las ubicaciones de los tornillos. Uno por uno, insertar los tornillos (ARV) por
los indicadores del interior al exterior, y sujetar las contraventanas (AYI) al exterior de los paneles murales. Ver el paso 11.2.
ARV (x1)

Related product manuals