EasyManua.ls Logo

Lifton LP 8 E - Page 21

Default Icon
27 pages
Print Icon
To Next Page IconTo Next Page
To Next Page IconTo Next Page
To Previous Page IconTo Previous Page
To Previous Page IconTo Previous Page
Loading...
Breakers A/S Denmark Phone: +45 98 181722 Fax: +45 98 188922
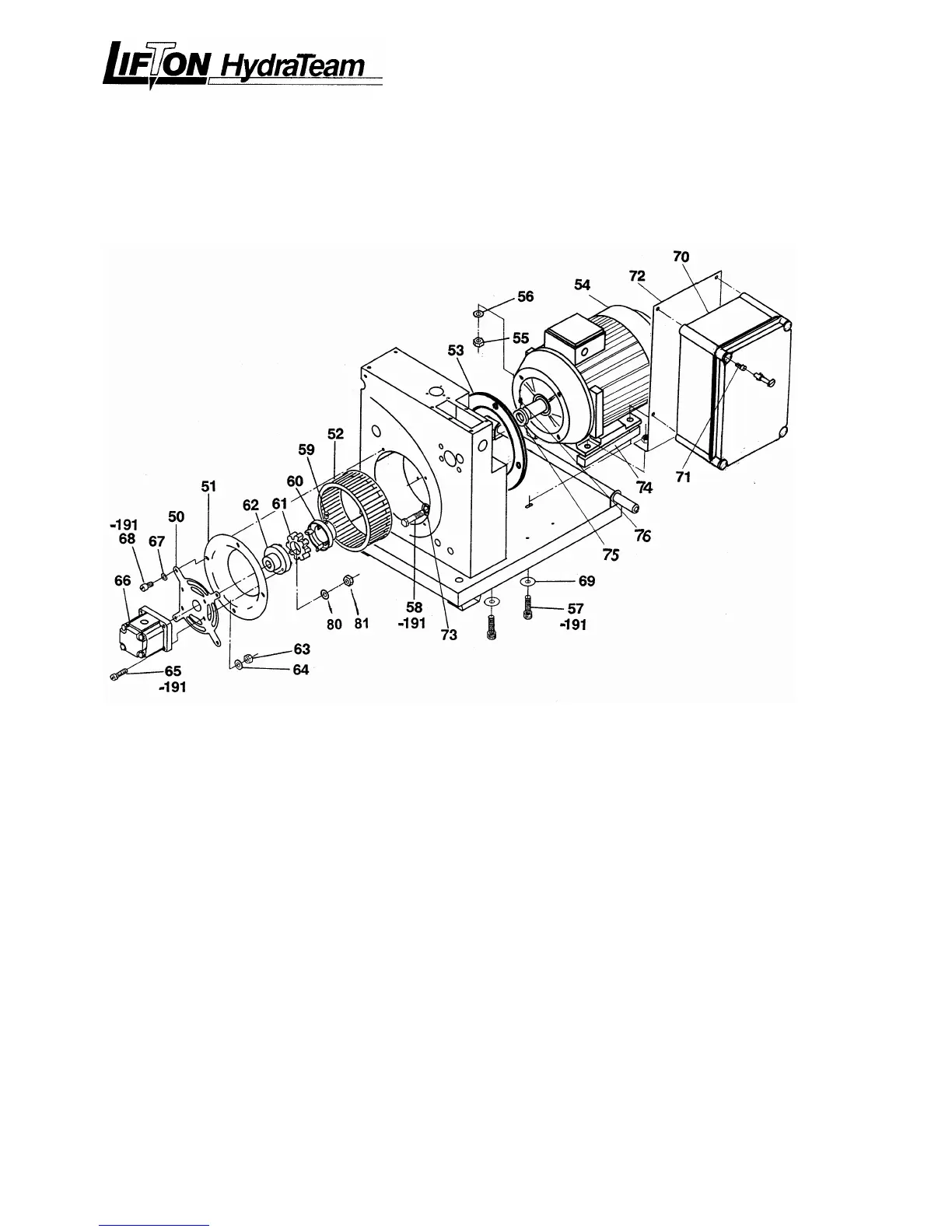
LP 8 E Electro-Pack drivstation Fig. 4 23 4-7800067a
LP 8 E Electro-Pack Powerpack
LP 8 E Electro-Pack Kraftstation