EasyManua.ls Logo

Linak TR-EM-239-H

Default Icon
39 pages
To Next Page IconTo Next Page
To Next Page IconTo Next Page
To Previous Page IconTo Previous Page
To Previous Page IconTo Previous Page
Loading...
Instruction Manual for TECH-system type 239
______________________________________________________________________________
Page 27 of 39 june 2020 ver. 09
LINAK Danmark A/S - Mønstedsvej 9 8600 Silkeborg - Telefon 86803611 - www.linak.dk
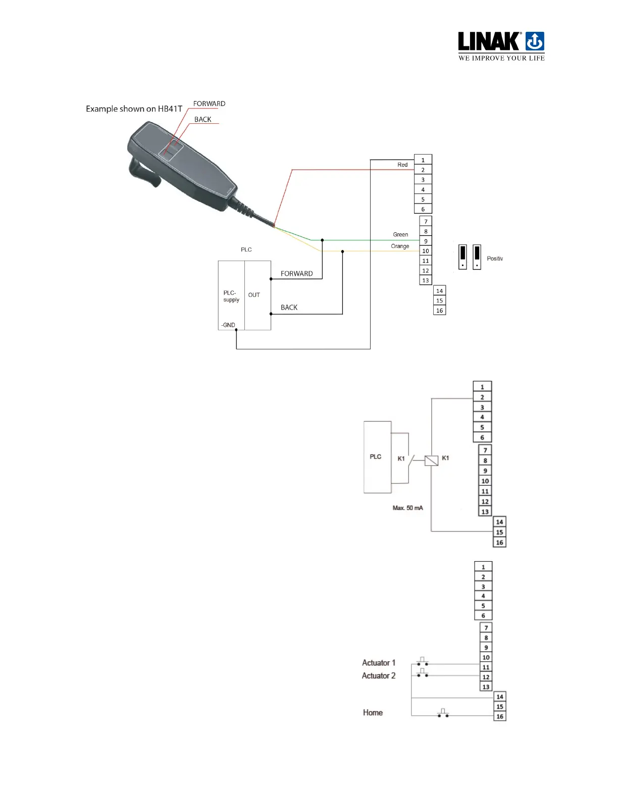
Connection diagram for PLC and manual Control unit
(Cable length on the manual control unit above 5 m)
Connection diagram for relais for Fault OUT on PLC
Service run
(Remark! Parameter 13 = 0)

Related product manuals