EasyManua.ls Logo

Linde H 60 D - Start of Drive Wheel Rotation

Linde H 60 D
282 pages
Print Icon
To Next Page IconTo Next Page
To Next Page IconTo Next Page
To Previous Page IconTo Previous Page
To Previous Page IconTo Previous Page
Loading...
Service Training
Page 9
Section 4.5
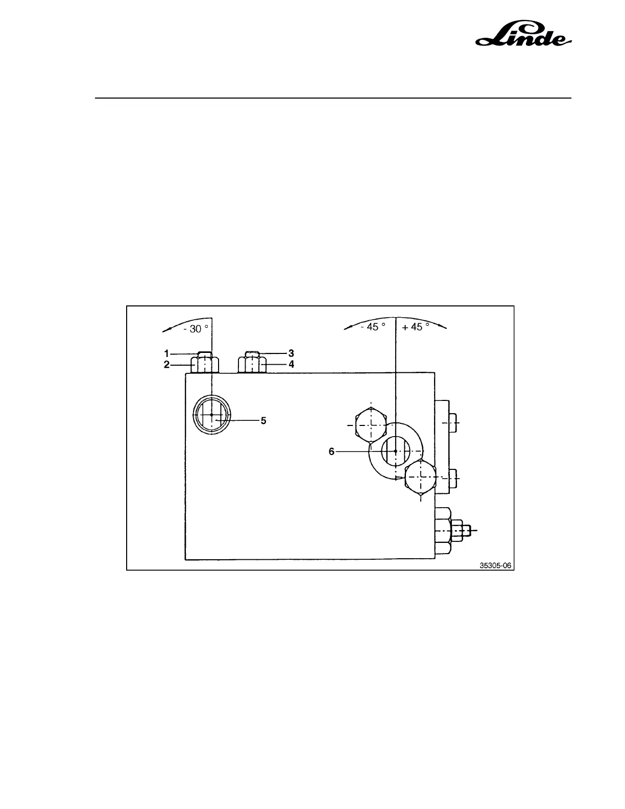
4.5.4 START OF DRIVE WHEEL ROTATION
The start of wheel rotation is set by means of setscrew (3) such that wheel rotation starts directly after the
engine rpm increases or shortly thereafter. In no case should the start of wheel rotation begin before the
engine speed starts to increase.
ADJUST CONDITIONS
- Pedal adjustment is in order.
- Block up the truck so that both drive wheels can turn freely.
- Engine and travel drive warmed up to operating temperature.
- Floor plate removed.
- Symmetry of speed control is in order.
CHECK
- Start the engine and release the brake pedal.
- Depress the accelerator pedal for forward travel gently until the engine speed rises and the wheels start
to rotate.
If the start of wheel rotation follows directly or at the same time as the increase in speed, the adjustment
is in order.
If the wheels rotate before the engine speed rises, correct the setting as follows:
Loosen locknut (4) and adjust the start of wheel rotation by turning screw (3).
NOTE: The adjustment range of screw (3) is 180 °, clockwise and counterclockwise. If it is not possible
to perform the adjustment within this range, the start of control by the remote control for HPV 90
S or the operation cylinder of the speed control should be checked and adjkusted as required.
09.96

Table of Contents

Related product manuals