EasyManua.ls Logo

Linde H 60 D - Page 85

Linde H 60 D
282 pages
Print Icon
To Next Page IconTo Next Page
To Next Page IconTo Next Page
To Previous Page IconTo Previous Page
To Previous Page IconTo Previous Page
Loading...
Service Training
Page 4.2
Section 27
09.04
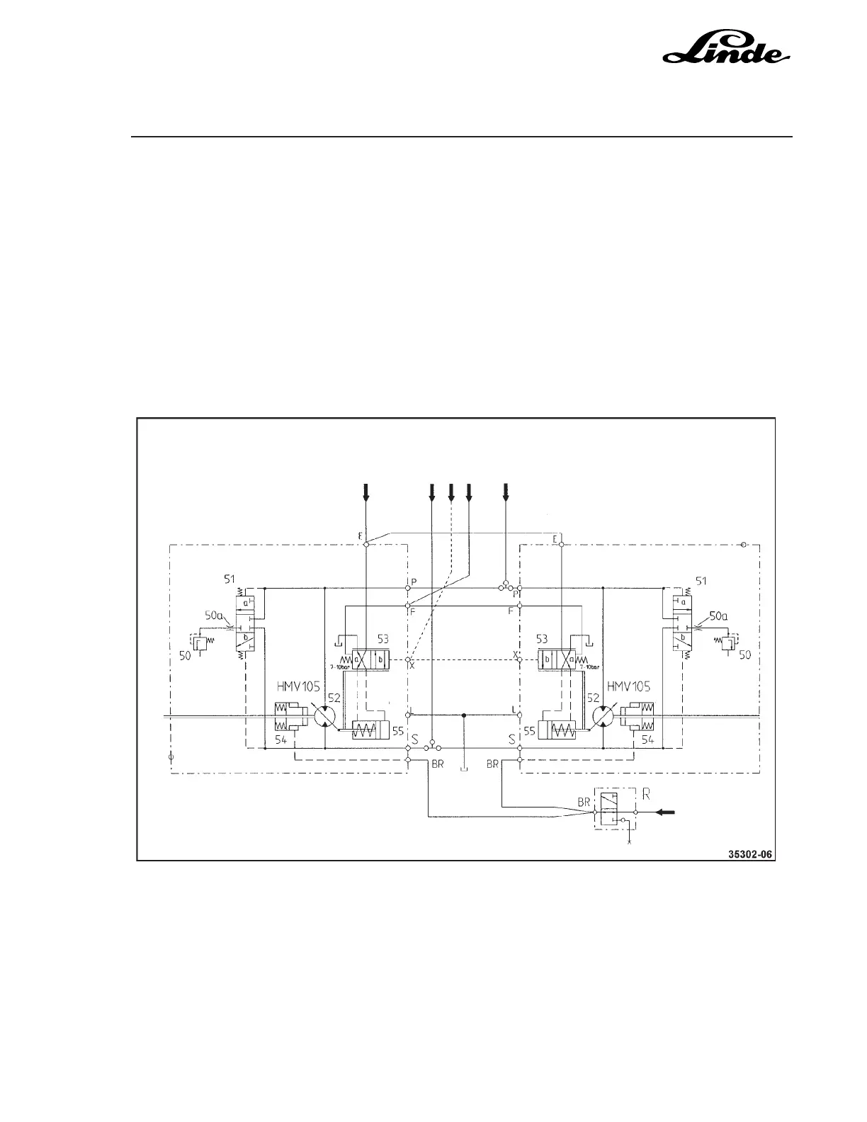
at piston (24) continues through open valve (21) to valve (20), which is shifted to position (b) by the 5 bar
spring and the feed pressure in the spring chamber. This connects the spring chamber of control cylinder
J via port N to the tank.
When the travel direction is reversed quickly, the pressure in spring chamber (a) of the servo piston (24)
drops to 17.5 bar, whereas in spring chamber (b) the pilot pressure will rise to a differential pressure of
approx. 10 bar. As the servo piston can only follow the change in pressure with a delay, valves (23) and
(21) and piston (22) are still in their original position. This causes the higher pressure in spring chamber
(b) of servo piston (24) to go through valve (21) to valve (20), shifting it to position (a). The pressure now
goes through the shifted valve to port N (spring chamber) of engine speed control cylinder J, pushing it
against the speed signal applied at port V3 so that the injection pump is set to lower idling speed.
This pressure is also sent to port N at control valve block N, shifting valve (40) to position (a). The 17.5 bar
pressure from the feed oil passage now goes through the open valve via port X to the remote control for
the hydraulic motors. Via ports F, the same pressure exists in the spring chamber of the control pilots as
at port X. Due to the pressure bias, the pilot is shifted so that the pressure applied at E goes to the rod end
of the control piston (55), while the piston end is connected to the tank. The shift of the piston cause the
motor to be regulated to Q
max
, thus increasing the braking force.
Power
Limiter
HP Reverse
Power Limiter
Travel Control
Unit
HP Forward

Table of Contents

Related product manuals