EasyManua.ls Logo

Linksys MAX-STREAM MR5500 Series

Linksys MAX-STREAM MR5500 Series
848 pages
To Next Page IconTo Next Page
To Next Page IconTo Next Page
To Previous Page IconTo Previous Page
To Previous Page IconTo Previous Page
Loading...
4
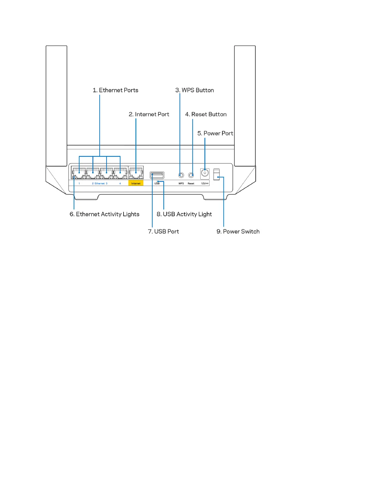
Ethernet bağlantı noktaları (1) - Bu mavi gigabit (10/100/1000) bağlantı noktalarına ve ağınızdaki cihazlara ethernet kablola
bağlanabilir.
Not
- En iyi performansı almak için Ethernet bağlantı noktalarında CAT5e veya daha yüksek hızlı kabloları kullanın.
İnternet bağlantı noktası (2)
- Ethernet kablosunu sarı gigabit (10/100/1000) bağlantı noktasına ve geniş bantlı kablo/DSL ya
da fiber modeme bağlayın. Bu router’ı bir mesh Wi-Fi sisteminde alt düğüm olarak kullanıyorsanız, bu port üzerinden başka bir
düğümüyle kablolu bağlantı kurabilirsiniz.
Not
- En iyi performansı almak için internet bağlantı noktasında CAT5e veya daha yüksek hızlı kablo kullanın.
Wi-Fi Korumalı Kurulum™ düğmesi (3) - WPS'in etkinleştirildiği ağ cihazlarına bağlanmak için basın.
Sıfırlama düğmesi (4) - Router'ınızı fabrika ayarlarına sıfırlamak için, üzerindeki ışık kırmızı yanıp sönerken basılı tutun. Işık
sönüp parlak kırmızı yanana kadar düğmeyi bırakmayın.
Adaptör girişi (5) - Kutudan çıkan adaptörü bu girişe takın.
Ethernet etkinlik ışıkları (6) - Işıklar ethernet kablosu üzerinden veri aktarımını gösterir.
USB 3.0 bağlantı noktası (7)
–– Ağınızdaki veya internetteki USB sürücülerine bağlanın ve paylaşın.
USB etkinlik ışığı (8) -- Işıklar USB üzerinden veri aktarımını gösterir.
Güç anahtarı (9)Router’ı açmak için | (on - ık) düğmesine basın.

Table of Contents

Other manuals for Linksys MAX-STREAM MR5500 Series

Related product manuals