EasyManua.ls Logo

LISICKI Z-178 - Page 31

LISICKI Z-178
49 pages
Print Icon
To Next Page IconTo Next Page
To Next Page IconTo Next Page
To Previous Page IconTo Previous Page
To Previous Page IconTo Previous Page
Loading...
28
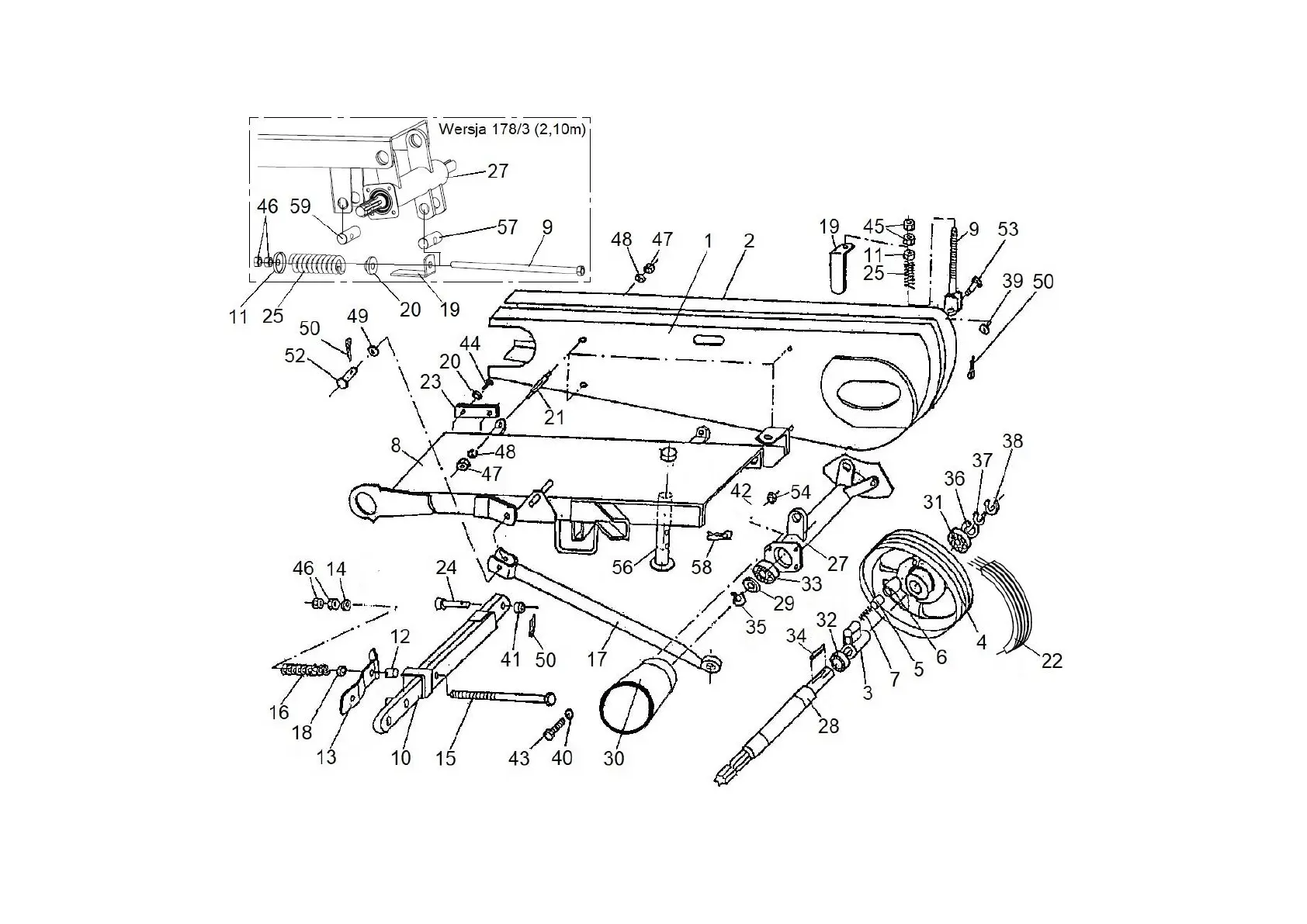
Fig. K3. Drive train and central beam