EasyManua.ls Logo

LiteOn EVO600021SD75E20F - Main Circuit

LiteOn EVO600021SD75E20F
102 pages
To Next Page IconTo Next Page
To Next Page IconTo Next Page
To Previous Page IconTo Previous Page
To Previous Page IconTo Previous Page
Loading...
20
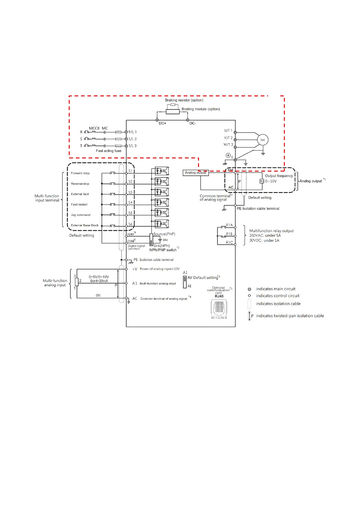
4.2 Main Circuit
Ensure the Stall Prevention function is off when using a braking unit.

Other manuals for LiteOn EVO600021SD75E20F

Related product manuals