EasyManua.ls Logo

Loewe 66437 - Page 63

Loewe 66437
80 pages
Print Icon
To Next Page IconTo Next Page
To Next Page IconTo Next Page
To Previous Page IconTo Previous Page
To Previous Page IconTo Previous Page
Loading...
63
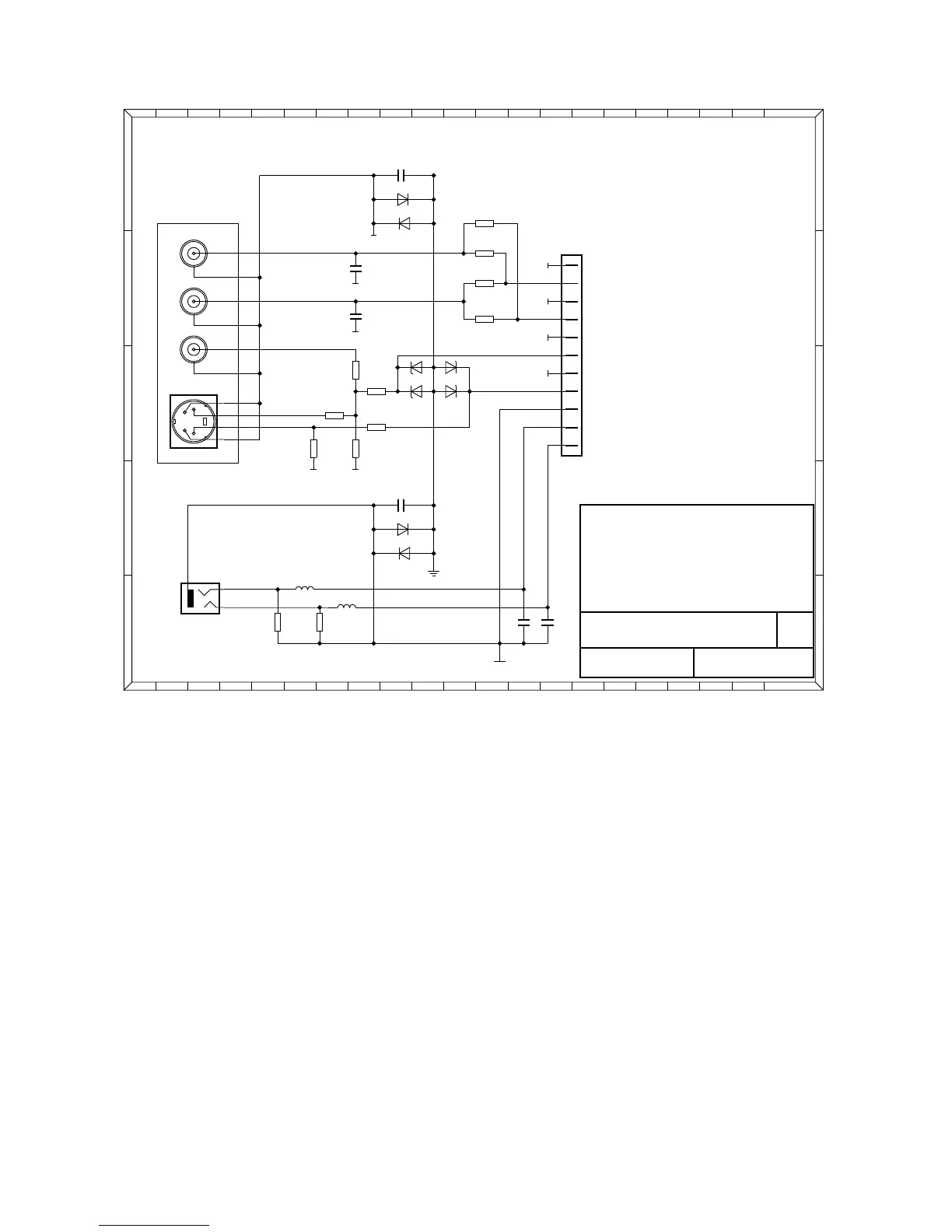
Connector Board 89194
Kl.3.5
W451
3
1
2
L417
6u8
75R
R417 R447
75R
C418
10n
10n
C448
6u8
L447
270p
C491
D491
BAS316
BAS316
D492
Kombi-Buchse
W351
5
5
6
6
7
7
8
8
C12V
D333
C12V
D334
D392
BAS316
D391
BAS316
D332
C12V0
D331
C12V0
0R
R330
47R
R331
75R
R332R337
75R
R336
47R
47R
R314
47R
R315
47R
R313
47R
R316
C391
270p
270p
C311
270p
C321
0R
R328
JST ws l
W521
11
10
9
1
2
3
4
5
6
7
8
14.4.05 Ex / 23.2.06 Ri
unbestückt
nur in Var.051
nur in Var.051
Var.051:
Var.051: unbestückt
Var.051:9311F
Var.050:9311A
:050/051
/14.9.04
R
L
Buchsenplatine L2600
55
44
33
22
11
U
U
T
T
S
S
R
R
Q
Q
P
P
O
O
N
N
M
M
L
L
K
K
J
J
I
I
H
H
G
G
F
F
E
E
D
D
C
C
B
B
A
A
Variante:
Code-Teile-Nr.:
Datum:
gepr.:
Datum:
erst.:
Index:
LOEWE.Benennung:
alle Varianten
14.04.2005
Sabew
A
89194

Related product manuals