EasyManua.ls Logo

Loewe 66437 - Page 67

Loewe 66437
80 pages
Print Icon
To Next Page IconTo Next Page
To Next Page IconTo Next Page
To Previous Page IconTo Previous Page
To Previous Page IconTo Previous Page
Loading...
67
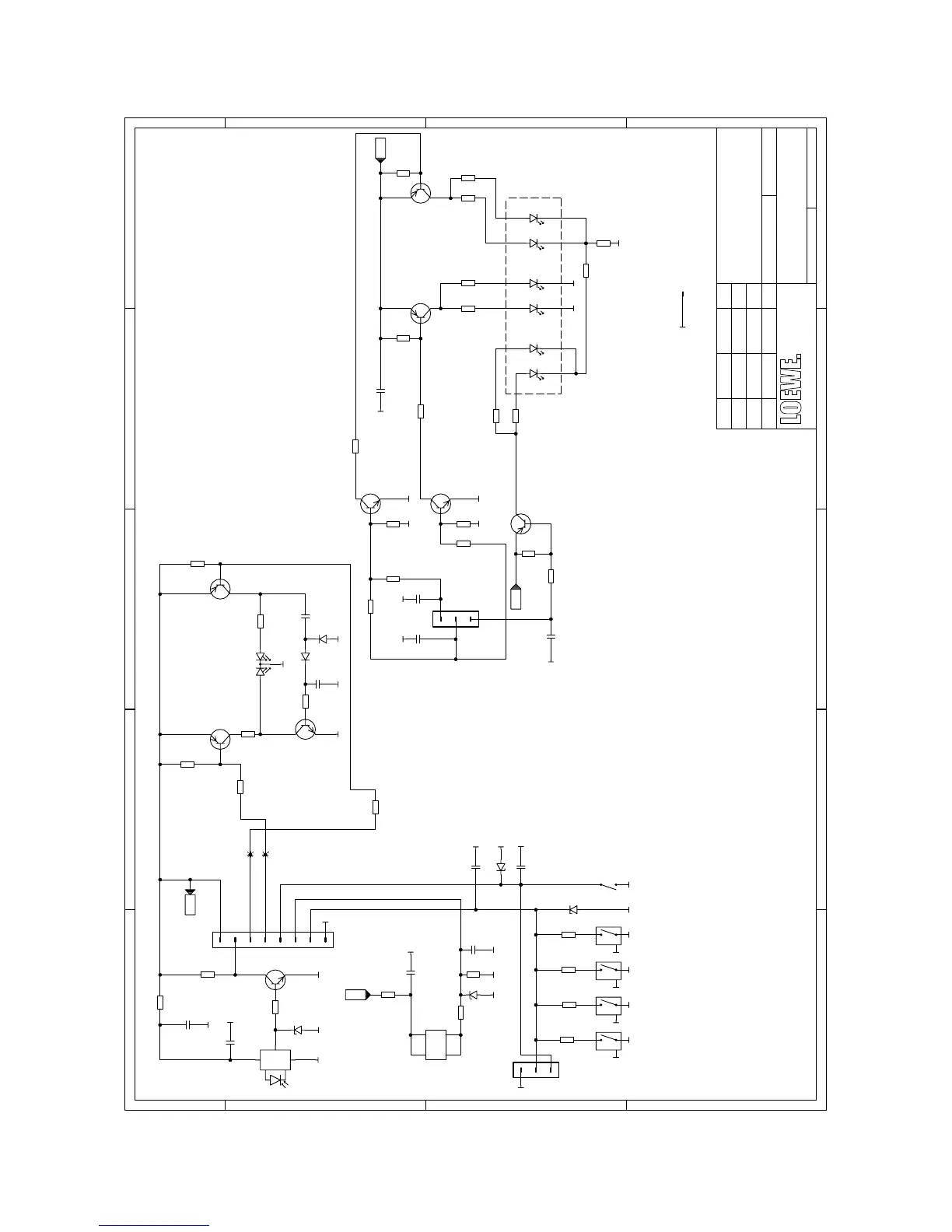
Control Unit 89966
@SaveCurrFile
Date:17.11.2006of 01
Page: 01
Var.:050
Alle Rechte, Änderungen vorbehalten
LOEWE AG
Industriestr.11
96317 Kronac
h
Zei.-Nr.:
Bez
:Index:gepr.:
Name:
Datum:
L
O
EW
E.
0
1
3
2 2
3
1
0
E
D
C
B
A
E
D
CBA
W6002
Taster_1fach
33K
R6001
3K3
R600
7
10K
R604
7
0R
R601
8
ZD 6V2
D600
2
W6007
3pol_JST_nat_l
3
2
1
I6001
VS
GND
OUT
ZD 6V2
D600
1
47K
R602
6
BC847BW
Q6001
10K
R6017
100R
R605
3
10u/10V
C600
3
33K
R600
2
LED gn/rt
D602
0
RG
K
A1
A2
10K
R601
5
10K
R6014
BC857BW
Q6011
2k7
R603
0
4k7
R605
4
BC847BW
Q6005
2K7
R603
5
10u/10V
C600
4
10u/10V
C600
5
BAS316
D600
4
BAS316
D600
5
BC857BW
Q6006
BC857BW
Q6009
10n
C600
6
BC857BW
Q6007
10n
C602
0
U5SB
U5SB
100n
C600
2
100n
C6001
W6005
Taster_1fach
W6004
Taster_1fach
W6003
Taster_1fach
W6001
Taster_1fach
5K6
R603
9
390R
R601
6
W6009
3pol_JST_rt_l
3
2
1
10K
R602
7
2K7
R602
8
2K7
R602
9
BC847BW
Q6013
BC847BW
Q6003
5K6
R605
5
0R
R603
4
100R
R601
3
0R
R603
8
10K
R604
4
10K
R604
5
15K
R6003
15K
R604
2
GND-Kontakt_s_XH
W6010
I6000
LSS100
4
32
1
C2 C1
A2A1
U5SB
U5SB
ZD 6V2
D600
9
10u/10V
C602
1
100n
C600
7
W6008
8pol_JST_ew_l
1
2
3
4
5
6
7
8
ZD 6V2
D601
0
100n
C6009
33K
R605
8
12K
R6060
39k
R6061
LED_LWL283_WS
D601
1
LED_LWL283_WS
D601
2
LED_LSL296_RT
D601
3
LED_LSL296_RT
D601
4
LED_LTL29S_GRN
D6015
LED_LTL29S_GRN
D601
6
390R
R607
0
100R
R6073
BC857BW
Q6014
15K
R607
8
10n
C601
0
5K6
R607
9
100R
R608
0
100R
R608
1
10u/10V
C601
1
100R
R608
5
17.11.06 Ex / 21.11.06 Ri
ES
D LS-Gitter
"Radio"
"Mentor Light Bar"
"LED DR+"
Bedientei
l
SPHEROS / XELO
S
060.70.91
89966
M. Thomale
"on/off"
"-"
"Menue" "+"

Related product manuals