EasyManua.ls Logo

LONCIN EN3500 - Page 15

LONCIN EN3500
17 pages
Print Icon
To Next Page IconTo Next Page
To Next Page IconTo Next Page
To Previous Page IconTo Previous Page
To Previous Page IconTo Previous Page
Loading...
12
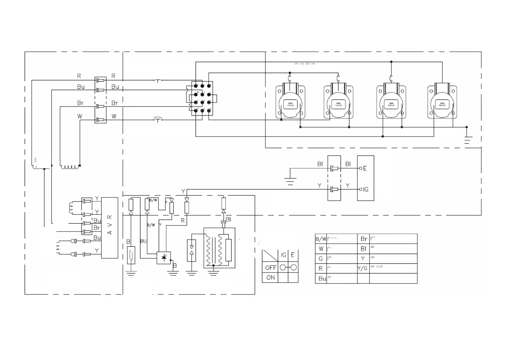
2EN5000EN6500 路图 Wiring diagram of N5000 and EN6500 Generators
AC receptacle
Ground
terminal
Engine switch
Control panel
block
Overcurrent protector 20A
Overcurrent protector 20A
Principal
winding
Secondary
winding
Excitation
winding
Generator
block
Engine oil
level switch
Engine oil
level
alarm
Spark plug
Ignition coil
Engine block
Engine sw
itch
connecting line
Black/White
White
Green
Red
Blue
Brown
Black
Yellow
Yellow/Green

Related product manuals