EasyManua.ls Logo

LONCIN EN3500 - Wiring Diagram

LONCIN EN3500
17 pages
Print Icon
To Next Page IconTo Next Page
To Next Page IconTo Next Page
To Previous Page IconTo Previous Page
To Previous Page IconTo Previous Page
Loading...
11
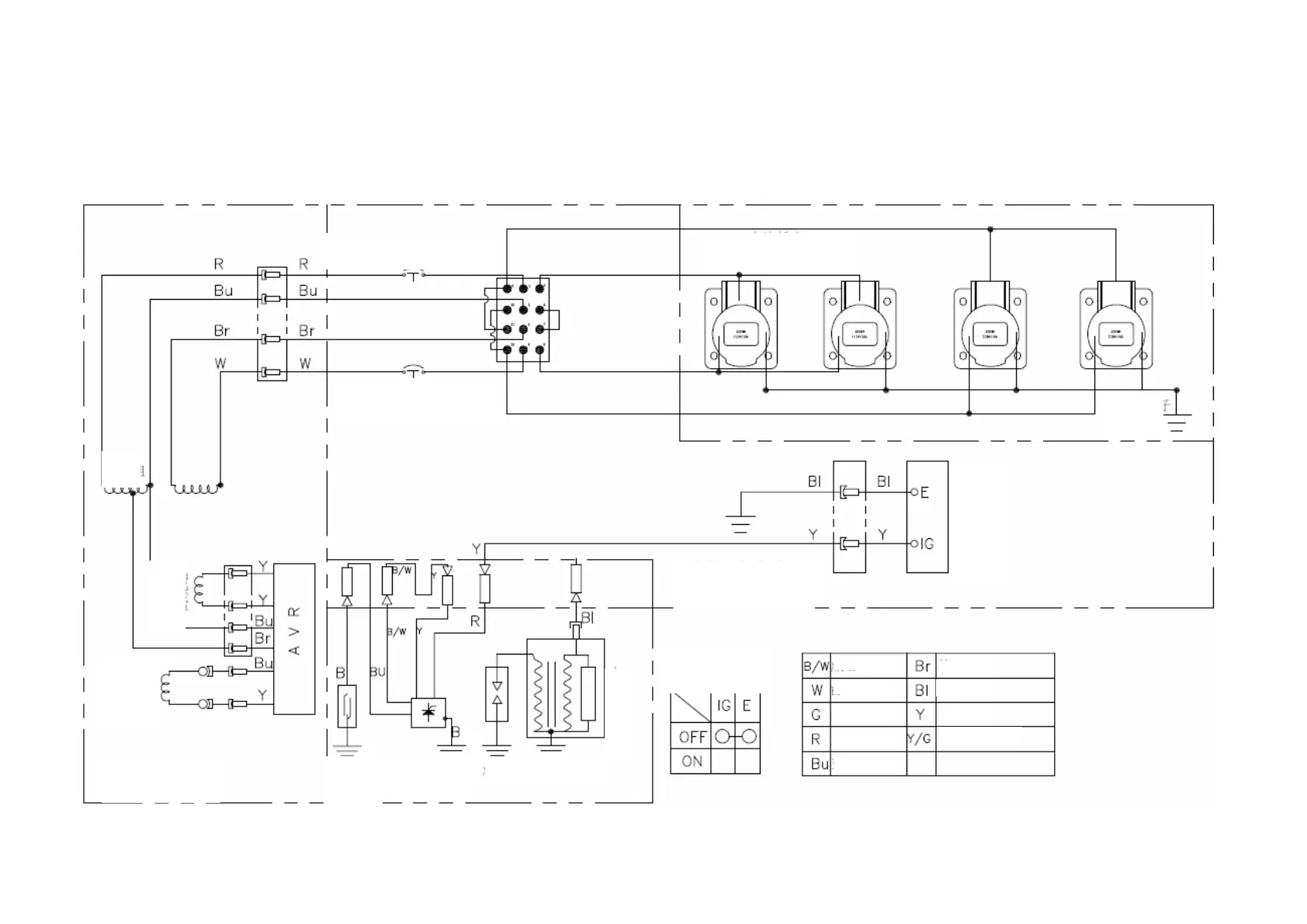
IX.Wiring diagram
1. Wiring diagram of EN3500 Generator
Overcurrent protector 12A
AC receptacle
Ground
terminal
Overcurrent protector
12A
Principal
winding
Engine switch
Control panel
block
Engine switch
connecting line
Secondary
winding
Excitation
winding
Generator
block
Engine oil
level
switch
Engine oil
level
alarm
Spark plug
Ignition coil
Engine
Black/White
White
Green
Red
Blue
Brown
Black
Yellow
Yellow/Green

Related product manuals