EasyManua.ls Logo

LS tractor MT347 - Page 171

LS tractor MT347
264 pages
Print Icon
To Next Page IconTo Next Page
To Next Page IconTo Next Page
To Previous Page IconTo Previous Page
To Previous Page IconTo Previous Page
Loading...
4 -33
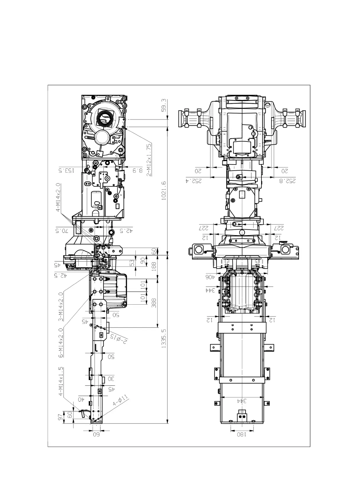
Attaching points for Front-end loader
When attaching a front-end loader for all models, refer to the drawings as below.
(Unit : mm)

Table of Contents

Related product manuals