EasyManua.ls Logo

LS U5030 - Hydraulic System Diagram

Default Icon
110 pages
Print Icon
To Next Page IconTo Next Page
To Next Page IconTo Next Page
To Previous Page IconTo Previous Page
To Previous Page IconTo Previous Page
Loading...
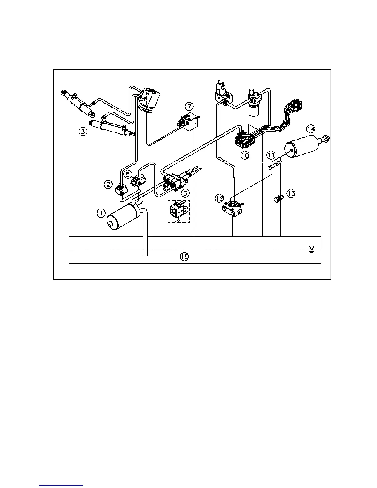
(7) Hydraulic System Diagram
U5020 / U5020C
1. Hydraulic oil filter
2. Hydraulic pump
3. Steering cylinder
4. Power steering unit
6. Front loader valve
Front outlet valve (option)
7. Independent PTO valve
8. In
-
line filter (option)
11. Drop speed control valve
12. Hydraulic lift control valve
13. Safety valve
14. Hydraulic lift cylinder
3
3 3
3 - 20
4. Power steering unit
5. Hydraulic lift pump
8. In
-
line filter (option)
9. Auto leveler valve (option)
10. Remote control valve
14. Hydraulic lift cylinder
15. Oil tank(Transmission case)

Table of Contents

Related product manuals