EasyManua.ls Logo

Lucent Technologies SLC 5 Series - Page 198

Lucent Technologies SLC 5 Series
508 pages
Print Icon
To Next Page IconTo Next Page
To Next Page IconTo Next Page
To Previous Page IconTo Previous Page
To Previous Page IconTo Previous Page
Loading...
363-205-401 Power Up: DLP-526
Issue 7, March 1997 Page 3 of 4
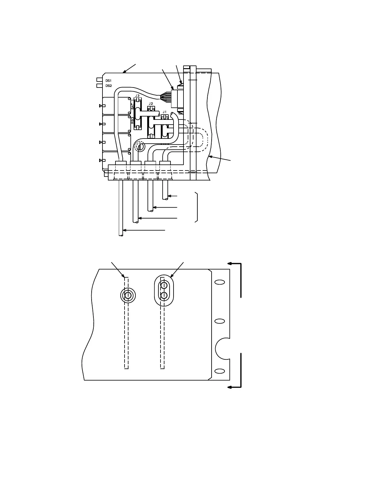
Figure 3 – AYK1 Circuit Pack Mounted in Control & Distribution Panel
AYK1
ON SHELF)
P4 (MOUNTED
J4
A
SIDE VIEW OF
AYK1
A
PARTIAL VIEW A-A
AYK2
DISCHARGE
BAT ON
DISCONNECT
LOW VOLT
NORMAL
AND DISTRIBUTION PANEL,
WITH FRONT COVER REMOVED
ED-83114-30 CONTROL
RECT 2
RECT 3
ALARM CABLE
CABLES
CONTROL
RECT 1

Related product manuals