EasyManua.ls Logo

LUX TX9600TS - Page 16

LUX TX9600TS
34 pages
Print Icon
To Next Page IconTo Next Page
To Next Page IconTo Next Page
To Previous Page IconTo Previous Page
To Previous Page IconTo Previous Page
Loading...
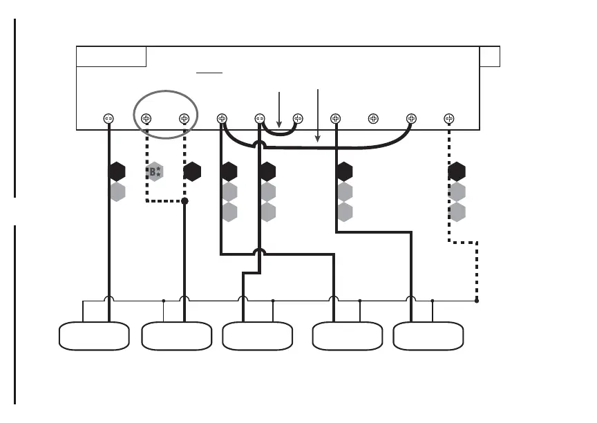
CUSTOMER INSTALLED Y-W1 Jumper Wire
X
B*
C
W3
W
W2
F
G
Y1
6
YO
RC
V
R
W2 A W1G B CO Y RC RH
2-HEAT / 1-COOL, HEAT PUMP SYSTEM
WITH AUX AND EMERGENCY HEAT
Factory RH-RC Jumper Wire Installed
#8
SYSTEM 24V
TRANSFORMER
SYSTEM COMMON
5, 6 WIRES
NOTE: THE BLACK TERMINAL LETTERS ARE TYPICAL, GRAY TERMINAL LETTERS ARE BRAND SPECIFIC
HEAT PUMP
REVERSING
VALVE
** Use “O” or “B”
Terminals, Never Both
AUX / EMERG.
HEAT
O
P
T
I
O
N
A
L
FAN
16

Related product manuals