EasyManua.ls Logo

Mac Afric HCLEAN150 - Electrical Diagram

Mac Afric HCLEAN150
12 pages
Print Icon
To Next Page IconTo Next Page
To Next Page IconTo Next Page
To Previous Page IconTo Previous Page
To Previous Page IconTo Previous Page
Loading...
8
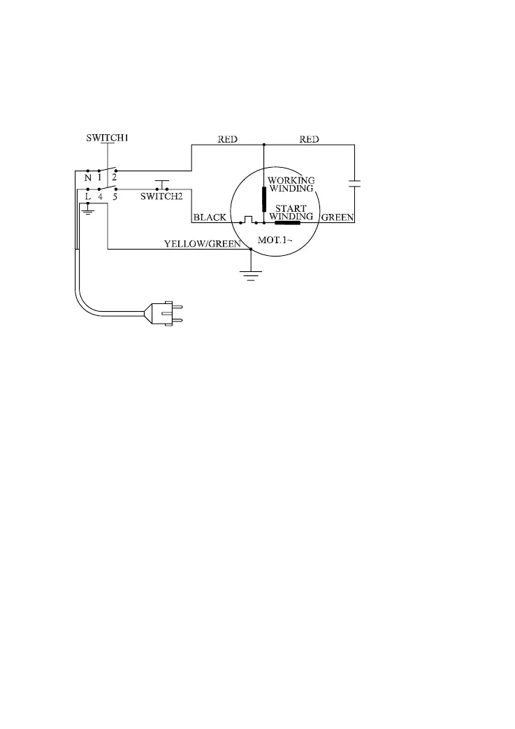
ELECTRICAL DIAGRAM

Related product manuals