EasyManua.ls Logo

Mackie PPM608 - Page 5

Mackie PPM608
7 pages
Print Icon
To Next Page IconTo Next Page
To Next Page IconTo Next Page
To Previous Page IconTo Previous Page
To Previous Page IconTo Previous Page
Loading...
5/7 PAGES
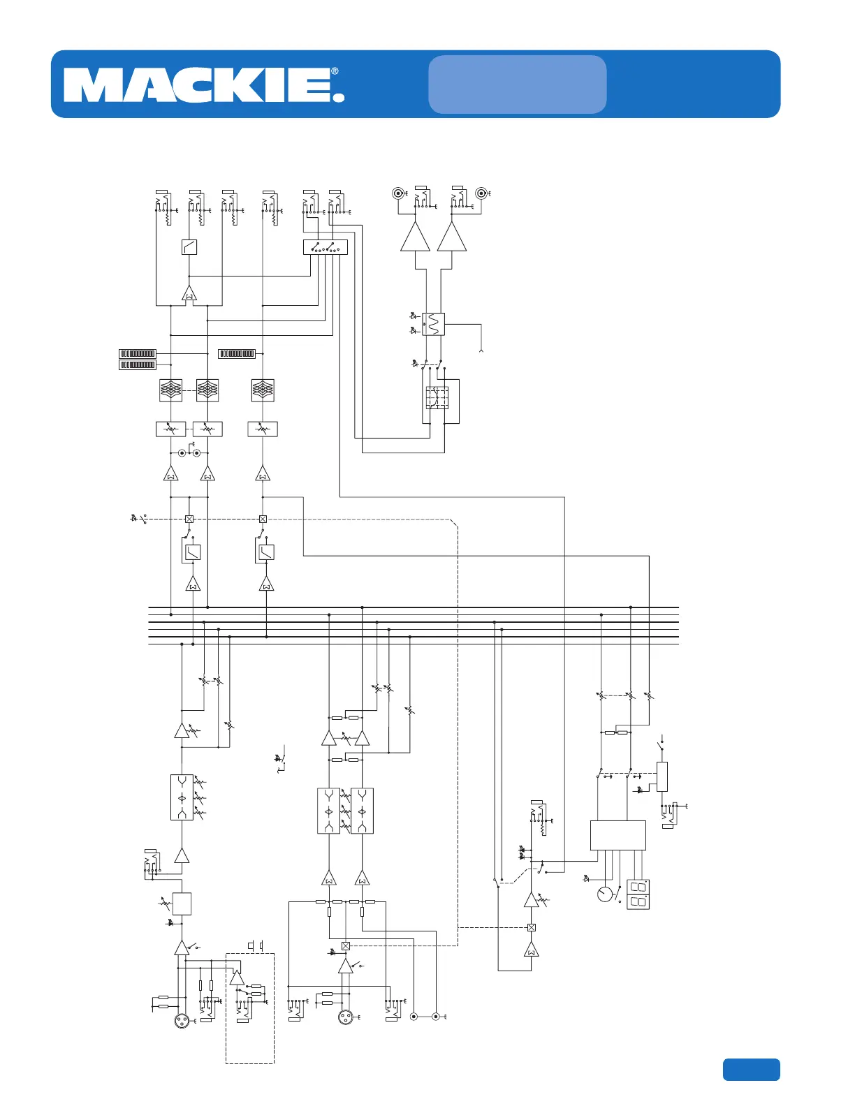
PPM608
PROFESSIONAL
POWERED MIXER
48V
R
L
Efx (post)
Mon 2 (pre)
Mon 1
Mics
R
L
Efx (post)
Mon 2 (pre)
Mon 1
Mics
Main level
Stereo
Channels
7-8
L
R
Mono
Channels
Mic
Line
Insert
Gain
Channel Level
Channel Level
Mon
L
Main Out
Main Out
R
Out
A
B
Mics
+
-
L
R
3-Band EQ
Mon
Mic: +25 ~ +45dB
Line: 0 ~ +20dB
©2007 Loud Technologies Inc. All rights reserved
Note: all switches are shown in their default (out)
position.
Comp
Efx
Global phantom power
phtm
phtm
Efx
100Hz
Low Pass
Main Sub Out
Efx sum
Mon 1
HI-Z
LINE
Hi-Z
(Channel
5-6 only)
-or-
1 Meg
Mic
Gain
+
-
Mic:+25~+45dB
phtm
OL
OL
OL
Sig
select/tap
tap
delay
EFX
display
bypass
Efx to Main
footswitch
Efx to Mon
LO MID
80 2.5K12K
HI
LO MID
80 2.5K12K
HI
3-Band EQ
LO MID
80 2.5K12K
HI
100Hz
Break
Ta pe out
Mon1 level
Mon1 Out
Amp A in
Amp B in
Precision
Passive EQ
Amp Mode
Limiter
Power Amps
FX/ Mon2
out
Post/Pre
FX
level
7-band
Graphic EQ
7-band
Graphic EQ
100Hz
Break
L
R
AB
Thermal
power limit
PPM608 BLOCK DIAGRAM

Other manuals for Mackie PPM608

Related product manuals