EasyManua.ls Logo

Mackie ProFX30v3 - Page 34

Mackie ProFX30v3
42 pages
Print Icon
To Next Page IconTo Next Page
To Next Page IconTo Next Page
To Previous Page IconTo Previous Page
To Previous Page IconTo Previous Page
Loading...
ProFXv3 Professional Effects Mixer with USB
ProFXv3 Professional Effects Mixer with USB
34
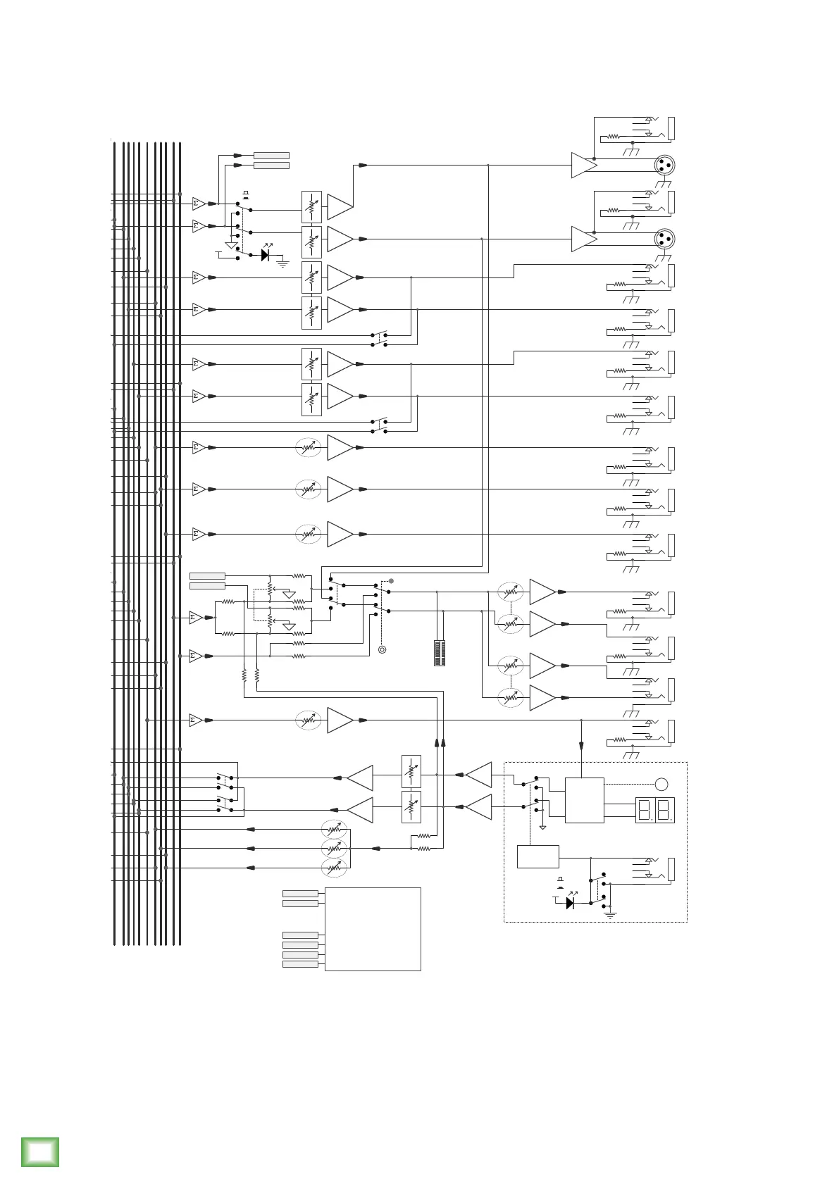
ProFX16v3 • ProFX22v3 • ProFX30v3 Block Diagram
L
1
FX module
Out L
Out R
In
4
3
1
5
2
4
3
1
5
2
Stereo Channel
L
R
Gain
Mic: 0 to +60dB
Line: -20 to +40dB
Phantom Power
Mic/Line/Line-Hi-Z
Mono Channel
Line
Hi-Z
1-2CH
TRS 1/4"
R
4
3
1
5
2
Main Meters
POWER BOARD
Lo Hi
80 12k
4
3
1
5
2
select
TRS 1/8"
Combo
Left
Preset Select
FX
Display
4
3
1
5
2
Footswitch
FX Bypass
Logic
Preset Select
Mid
2.5k
Lo Hi
80 12k
3-Band EQ
low cut
100Hz
COMP
4
3
1
5
2
INSERT
2
CH FADER
CH FX
Phantom Power
(To All Mics)
OFF
ON
USB3
USB4
Break switch
VCC
Main Output
DIRECT MON
CR LEVEL
4
3
1
5
2
Left
4
3
1
5
2
Right
4
3
1
5
2
PHONES LEVEL
OFF
ON
VCC
FX MUTE
USB AUDIO
Out
In
USB3
USB4
USB1
USB2
USB in L
USB in R
USB in L
USB in R
Level set
up to 192k/24bit
VCC
+15V
-15V
+48V
+5V
GND
Power Led
VCC
Switch/LED
Global 48v
Right
Control Room
Out
AUX4/FX
Phones
FX FADER
Note: Switch are shown in the default (out) position.
Mute Switch/LED
low cut in
Line
Mic
POWER SWITCH
AC 100-240V
PAN
Mid
100Hz~8K
L/R
3
4
FX
1
2
3
DIRECT MON
SOLO
SUB1/2
SUB3/4
MON1
MON2
MON3
SOLO
Gain
Mic: 0 to +60dB
Line: -20 to +40dB
Phantom Power
XLR
Lo Hi
80 12k
3-Band EQ
low cut
100Hz
COMP
4
3
1
5
2
INSERT
CH FADER
CH FX
Level set
VCC
Mute Switch/LED
low cut In
Line
Mic
PAN
Mid
100Hz~8K
L/R
SUB1/2
SUB3/4
MON1
MON2
MON3
SOLO
Mic:0 to +60dB
Lo Hi
80 12k
CH FX
Level set
Mid
100Hz~8K
L/R
SUB1/2
SUB3/4
MON1
MON2
MON3
SOLO
VCC
Mute Switch/LED
CH FADER
PAN
CH FX
L/R
SUB1/2
SUB3/4
MON1
MON2
MON3
SOLO
VCC
Mute Switch/LED
CH FADER
PAN
USB2
USB1
PFL_L
PFL_R
PFL SOLO Logic
4
3
1
5
2
4
3
1
5
2
4
3
1
5
2
SUB1
4
3
1
5
2
SUB2
SUB1/2 OUT
SUB1/2
FADER
SUB1/2 TO L/R
4
3
1
5
2
SUB3
4
3
1
5
2
SUB4
SUB3/4 OUT
SUB3-4
FADER
SUB3/4 TO L/R
4
3
1
5
2
4
3
1
5
2
AUX1 OUT
AUX2 OUT
4
3
1
5
2
AUX3 OUT
FX LEVEL
MON3 LEVEL
MON2 LEVEL
MON1 LEVEL
OUT
FX TO SUB1/2
FX TO SUB3/4
FX TO MON1
FX TO MON2
FX TO MON3
G
AC IN
AC MALE
BLEND
DIRECT MON
TO PHONES/CR
Main
FADER
Out
POST
PRE
POST
PRE
POST
PRE
POST
PRE
OFF
ON
OFF
ON
OFF
ON
INPUTS
Gain
-20 to +20dB
Lo Hi
80 12k
3-Band EQ
Mid
100Hz~8K
Lo Hi
80 12k
Mid
2.5k
RUDE SOLO LED
3-Band EQ
Main
SUB
MON
L
1
R
2
3
4
FX
1
2
3
DIRECT_MON
SOLO
Main
SUB
MON
PROFX16v3
Mic/Line
Mono Channel
3-8CH
PROFX22v3
Mic/Line
3-14CH
PROFX30v3
Mic/Line
3-22CH
PROFX22v3 only CH3-12 include COMP
PROFX30v3 only CH3-16 include COMP
PROFX16v3
Mic/Line
9-14CH
PROFX22v3
Mic/Line
15-20CH
PROFX30v3
Mic/Line
23-28CH
Stereo Channel
PROFX16v3
Line
15-16CH
PROFX22v3
Line
21-22CH
PROFX30v3
Line
29-30CH
Mono
TRS
GAIN
low cut In
OFF
ON
low cut
100Hz

Other manuals for Mackie ProFX30v3

Related product manuals