EasyManua.ls Logo

Mackie ProFX8v2 - ProFX30 v2 Block Diagram

Mackie ProFX8v2
40 pages
Print Icon
To Next Page IconTo Next Page
To Next Page IconTo Next Page
To Previous Page IconTo Previous Page
To Previous Page IconTo Previous Page
Loading...
ProFX8v2 • ProFX12v2 • ProFX16v2 • ProFX22v2 • ProFX30v2
34
ProFX8v2 • ProFX12v2 • ProFX16v2 • ProFX22v2 • ProFX30v2
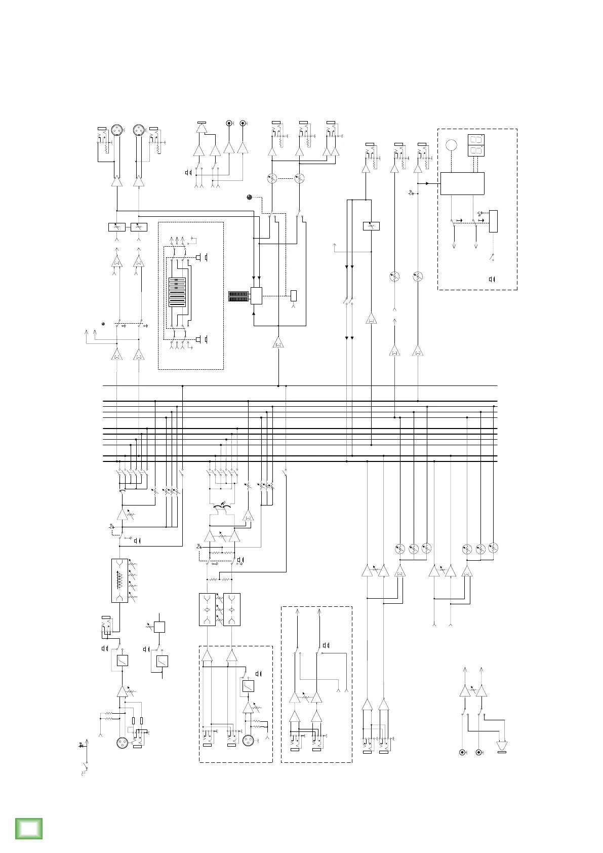
ProFX30v2 Block Diagram
L
R
Solo Solo
Main
CR/Phones
Level
HPF
Level
Pan
L
R
Sub 1 Out
(Sub 2-4 identical)
To FX Return L
Phones
Control
Room
Out
L
R
L sum
R sum
Sub 1 sum
Sub
Main
Sub
Mon 1 (pre) Mon 1 (pre)
Assign
3-Band EQ
w/ Swept Mid
Mon 2 (pre) Mon 2 (pre)
FX (post) FX (post)
4
3
2
1
L
R
4
3
2
1
Internal FX
Sub 1 level
Sub Assign To
Main Mix
L
R
Aux Return
L/R
1/2
3/4
To Main Mix
100Hz
Mute
Main Out
48V
Mono
Chann
els
1 - 18
Mic
+
-
Mic: 0 ~ +50dB
Line: -20 ~ +30dB
Stereo
Channels
23/24 & 25/26
Stereo
Channel 29/30
(27/28 identical
except for USB)
L
R
3-Band EQ
Level
Pan
Assign
L/R
1/2
3/4
Mute
PFL
Solo
RUDE
SOLO
LED
Meter
Select
To Mon 1
Bypass
switch
PFL
PFL
LO MID
80 100~8K
12K
HI
Line
Gain
7-band Stereo
Graphic EQ
EQ out
EQ In
EQ assign
switch
Mon 1
Mains
Monitor send 1
(Mon send 2 & 3 identical)
Mon 1 Master Level
Preset select
FX
Preset
Display
Sig/OL
Global 48v
Switch/LED
to/from Graphic EQ
(Only on Mon 1)
To Mon 2
FX
Mon 2
Mon 1
FX
Mon 2
Mon 1
HPF In
bypass
Mic
HPF
100Hz
+
-
Mic Gain:
0 ~ +50dB
Solo Logic
PFL Solo
USB Out
FX send
FX 1 Bypass
Logic
In
FX 1
Out L
Out R
Main R
Main L
Mon 1
Main R
Main L
Mon 1
MID
Phantom Power
(To All Mics)
Phantom Power
Phantom
Power
Note: When not assigned to EQ, signal is sent to straight through to destination.
R
L
To USB/Tape Out R
To USB/Tape Out L (Sub 1)
Main L
Sum
Main R Sum
To FX Return R
Int FX Out L
Int FX Out R
L
R
Gain
Line
-20 ~ +20dB
To
Stereo Channel
29/30 EQ In
USB In L
OL /
Mute
OL /
Mute
USB In R
FX Master Level
USB
In
Level
FX Mute
Active
If either the front panel
switch or the footswitch
is engaged, the FX mutes.
L
R
Tape Out
HPF In
bypass
To
Post-Break
Switch
Tape Input
L
R
2-Track Return L
2-Track Return R
Break
switch
Main level
To/From
Graphic EQ
Comp
+
-
+
-
+
-
+
-
+
-
+
-
Insert
EQ in
EQ in
HPF
100Hz
HPF In
bypass
preamp out
LO
80 2.5K
12K
HIMID
LO
80 2.5K
12K
HIMID
USB
Line
To Main Mix
To Mon 1
To Mon 2
From Sub1
From Sub2
Sub 1-2
Main
Mono Channels
19-22
identical except compressor
instead of insert jack
2-Track
Return
To USB/Tape Out R (Sub 2)
Mon 3 (pre)
Mon 3
Mon 3
Mon 3 (pre)
To Mon 3
To Mon 3

Other manuals for Mackie ProFX8v2

Related product manuals