EasyManua.ls Logo

Mackie SRM1850 - SRM Subwoofer Block Diagram

Mackie SRM1850
20 pages
Print Icon
To Next Page IconTo Next Page
To Next Page IconTo Next Page
To Previous Page IconTo Previous Page
To Previous Page IconTo Previous Page
Loading...
SRM1850 • SRM2850 Powered Subwoofers
18
SRM1850 • SRM2850 Powered Subwoofers
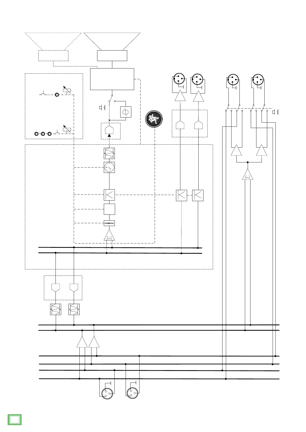
SRM Subwoofer Block Diagram
A
ADC
DAC
DAC
DAC
DAC
B
A
B
ADC
A
B
A B
ADC
+ A - + B -
XOver
XOver
XOver
A B
+
-
+
-
Limit
Limit
Mono
Stereo
USER CONTROLS
DAC
AMP STATUS
Invert
Normal
Polarity
Invert
Delay
FREQ
LEVEL
SRM2850
MODE
LIMIT
SRM550 / SRM650
SRM650 / SRM750
VARIABLE
LOGO
ON / OFF
LIT LOGO
HIGH PASS OUTPUTS
FULL RANGE OUTPUTS
DUAL
CHANNEL
AMP
MAINHIGH PASS
INPUTS
HARDWIRE BUS ANALOG BUS DIGITAL BUS
DSP
LEVEL
DETECT
Smart
Protect
Level
High Definition Audio Processing

Other manuals for Mackie SRM1850

Related product manuals