EasyManua.ls Logo

Mackie SRM650 - SRM Loudspeaker Block Diagram; Signal Flow and Processing Blocks; User Controls and Indicator Mapping

Mackie SRM650
28 pages
Print Icon
To Next Page IconTo Next Page
To Next Page IconTo Next Page
To Previous Page IconTo Previous Page
To Previous Page IconTo Previous Page
Loading...
SRM550 • SRM650 • SRM750 Powered Loudspeakers
26
SRM550 • SRM650 • SRM750 Powered Loudspeakers
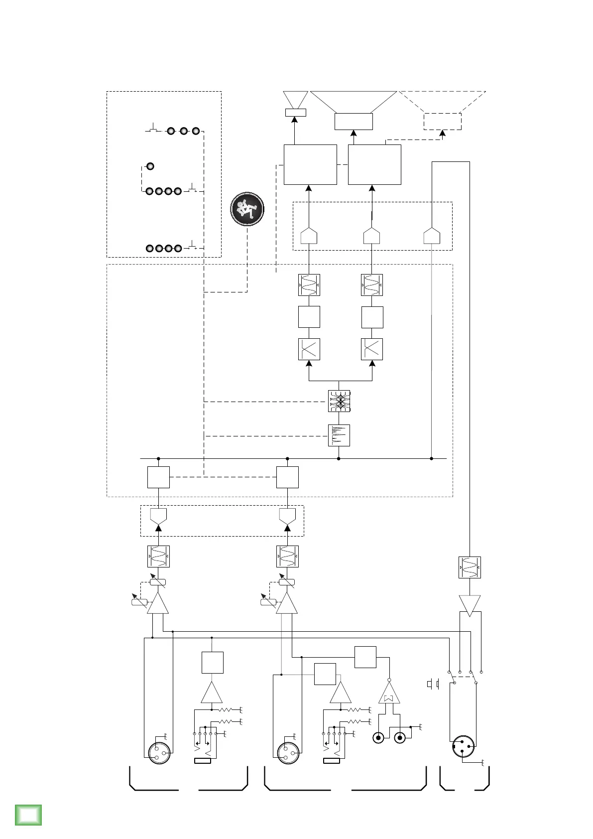
SRM Loudspeaker Block Diagram
1
+
-
XLR + TRS COMBO
LEVEL
ADC
Limit
ADC
2
+
-
THRU
DAC
Hi
Lo
AMP
Limit
XOver
XOver
DAC
DAC
DAC
L
R
AMP STATUS
0 dB fixed gain
+
-
Feedback
Destroyer
Speaker
Mode
4
ON / OFF
HOLD TO CLR
ON1
2
3
SOLO / SPEECH
MODE
SIGNAL 2
SIGNAL 1
LIMIT
PA
DJ
MON / FILL
LOGO
ON / OFF
MAIN
FEEDBACK
DESTROYER
SPEAKER
MODE
USER CONTROLS
LIT LOGO
XLR: OFF | +20 dB | +40 dB
GAIN: CCW | 12:00 | CW
TRS (WIDE-Z): OFF | 0 dB | +20 dB
RCA
THRU
XLR + TRS COMBO
LEVEL
XLR: OFF | +20 dB | +40 dB
GAIN: CCW | 12:00 | CW
RCA: OFF | 0 dB | +20 dB
TRS (WIDE-Z): OFF | 0 dB | +20 dB
XLR
-20 dB
PAD
DSP
DIGITAL BUS
LEVEL
DETECT
LEVEL
DETECT
-20 dB
PAD
-20 dB
PAD
ADC
Limit
AMP
CH1
MIX
Acoustic
Correction
Acoustic
Correction
Smart
Protect
High Definition
Audio Processing
Smart
Protect
FIR
FIR
SRM750

Other manuals for Mackie SRM650

Related product manuals