EasyManua.ls Logo

Mackie UP4061 - 3 Installation; Application Diagram

Mackie UP4061
12 pages
Print Icon
To Next Page IconTo Next Page
To Next Page IconTo Next Page
To Previous Page IconTo Previous Page
To Previous Page IconTo Previous Page
Loading...
UP4000 6
+
D.C. FUSE
115
0 50V 70V 100V
POWER OUTPUTS
0
25V
POWER INPUT
24V D.C.
COMMANDS
VOLTAGE
SELECTOR
POWER OUTPUTS
LINE
50/60 Hz-115/230V
-
4
INPUT
0dB
20dB
ON
OFF
PRIORITY GND
UNBALANCED IN
GND
H.P.
FILTER
BALANCED
IN
L.P.
STAND
BY
SENSITIVITY
GND
PARALLEL OUT
OVERL.
300mA.
max
CONCEIVED, DESIGNED, AND MANUFACTURED BY MACKIE INDUSTRIAL • MADE IN ITALY • PATENTS PENDING • COPYRIGHT ©1999
SERIAL NUMBER
MANUFACTURING DATE
RISK OF ELECTRIC SHOCK
DO NOT OPEN
REPLACE WITH THE SAME TYPE FUSE AND RATING.
DISCONNECT SUPPLY CORD BEFORE CHANGING FUSE
UTILISE UN FUSIBLE DE RECHANGE DE MÊME TYPE.
DEBRANCHER AVANT DE REMPLACER LE FUSIBLE
WARNING:
TO REDUCE THE RISK OF FIRE OR ELECTRIC SHOCK, DO NOT
EXPOSE THIS EQUIPMENT TO RAIN OR MOISTURE. DO NOT REMOVE COVER.
NO USER SERVICEABLE PARTS INSIDE. REFER SERVICING TO QUALIFIED PERSONNEL.
CAUTION
AVI S:
RISQUE DE CHOC ELECTRIQUE NE PAS OUVRIR
THE FOLLOWING ARE TRADEMARKS/REGISTERED TRADEMARKS OF MACKIE DESIGN INC.: "MACKIE", "MACKIE INDUSTRIAL", & THE "RUNNING MAN" FIGURE
+
D.C. FUSE
115
0 50V 70V 100V
POWER OUTPUTS
0
25V
POWER INPUT
24V D.C.
COMMANDS
VOLTAGE
SELECTOR
POWER OUTPUTS
LINE
50/60 Hz-115/230V
-
4
INPUT
0dB
20dB
ON
OFF
PRIORITY GND
UNBALANCED IN
GND
H.P.
FILTER
BALANCED
IN
L.P.
STAND
BY
SENSITIVITY
GND
PARALLEL OUT
OVERL.
300mA.
max
CONCEIVED, DESIGNED, AND MANUFACTURED BY MACKIE INDUSTRIAL • MADE IN ITALY • PATENTS PENDING • COPYRIGHT ©1999
SERIAL NUMBER
MANUFACTURING DATE
RISK OF ELECTRIC SHOCK
DO NOT OPEN
REPLACE WITH THE SAME TYPE FUSE AND RATING.
DISCONNECT SUPPLY CORD BEFORE CHANGING FUSE
UTILISE UN FUSIBLE DE RECHANGE DE MÊME TYPE.
DEBRANCHER AVANT DE REMPLACER LE FUSIBLE
WARNING:
TO REDUCE THE RISK OF FIRE OR ELECTRIC SHOCK, DO NOT
EXPOSE THIS EQUIPMENT TO RAIN OR MOISTURE. DO NOT REMOVE COVER.
NO USER SERVICEABLE PARTS INSIDE. REFER SERVICING TO QUALIFIED PERSONNEL.
CAUTION
AVI S:
RISQUE DE CHOC ELECTRIQUE NE PAS OUVRIR
THE FOLLOWING ARE TRADEMARKS/REGISTERED TRADEMARKS OF MACKIE DESIGN INC.: "MACKIE", "MACKIE INDUSTRIAL", & THE "RUNNING MAN" FIGURE
CD PlayerAM/FM Tuner Cassette or DAT Recorder
Mono
Preamplifier
Paging Mic
70V Loudspeakers
Loudspeaker
(8)
Loudspeaker
(8)
Paging Mic/Jukebox
Priority Switch
24 VDC
Backup
Power Supply
–+
24 VDC
Backup
Power Supply
–+
Mixer
Line
Out
Jukebox
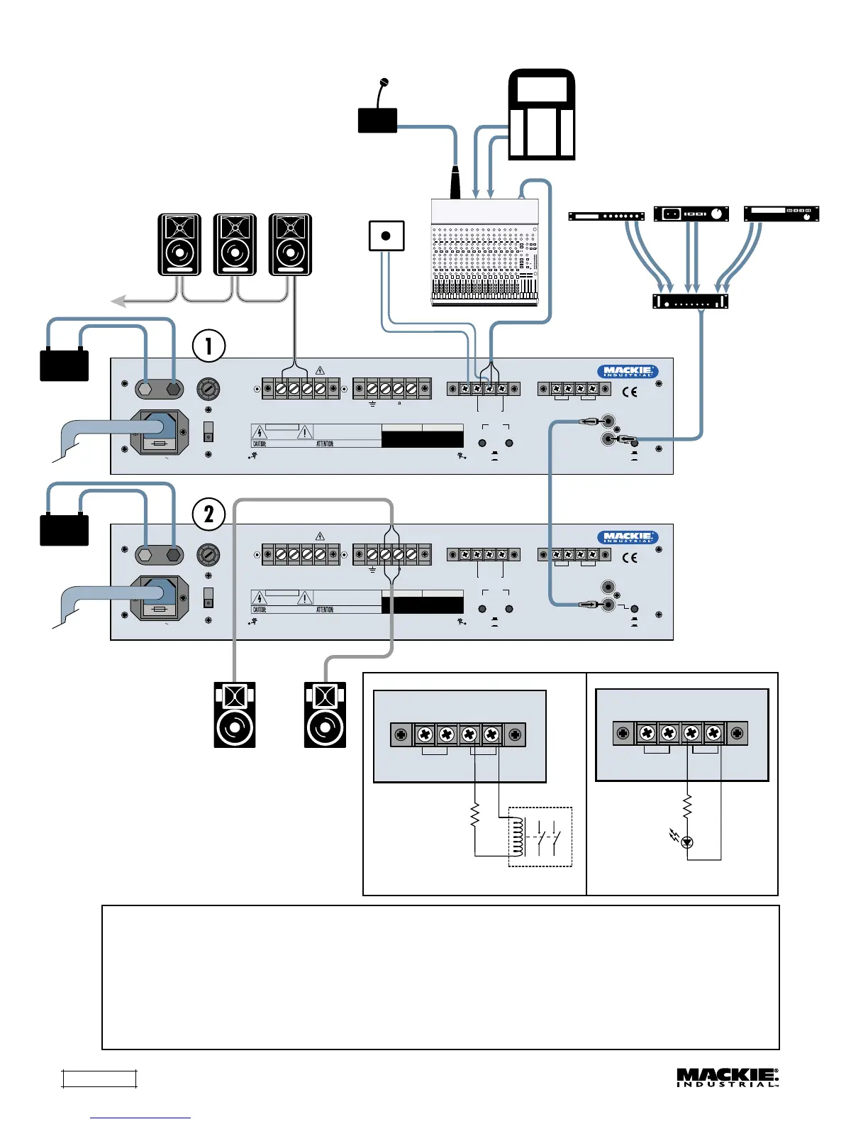
3. Installation
Application Diagram
Note:
This illustration demonstrates a typical application using a pair of UP4000 Series Power
Amplifiers. A paging microphone and a jukebox are connected to the Balanced Input of Amp 1 via the
Mixer, and the Input priority function can be switch-activated to give the paging mic and jukebox priority
over the signal source connected to the Unbalanced Input. A preamplifier is connected to the Unbalanced
Input, with source selections for an AM/FM Tuner, Cassette or DAT Recorder, and CD Player. The Parallel
Out is connected to the Unbalanced Input on a second UP4000 Series. 70V constant-voltage speakers
are connected to the 70V tap on Amp 1, and a pair of 8-ohm speakers (connected in parallel for a total
impedance of 4 ohms) are connected to the 4 tap on Amp 2.
COMMANDS
GNDSTAND
BY
GND
OVERL.
300mA.
max
LED
1K
1/2W
RELAY
+
COMMANDS
GNDSTAND
BY
GND
OVERL.
300mA.
max
RESISTOR

Related product manuals