EasyManua.ls Logo

Macurco RD-6 - Page 14

Macurco RD-6
63 pages
Print Icon
To Next Page IconTo Next Page
To Next Page IconTo Next Page
To Previous Page IconTo Previous Page
To Previous Page IconTo Previous Page
Loading...
Macurco RD-xx User Manual
REV – 1.0 [34-2900-0511-7 ] 14 | Page
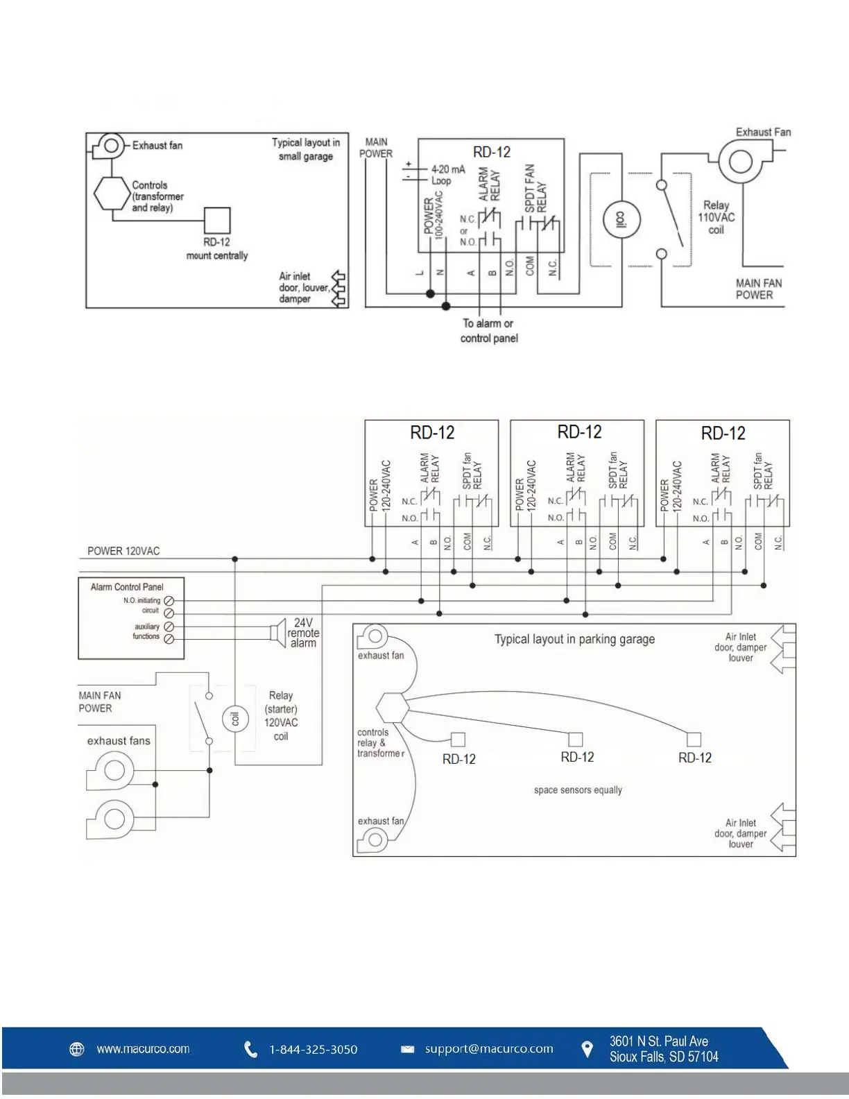
Figure 3-11 12-Series Stand Alone Layout
Figure 3-12 12-Series Multiple Device Diagram

Table of Contents

Related product manuals