EasyManua.ls Logo

Macurco RD-6 - Tension de Secteur (Séries 12)

Macurco RD-6
63 pages
Print Icon
To Next Page IconTo Next Page
To Next Page IconTo Next Page
To Previous Page IconTo Previous Page
To Previous Page IconTo Previous Page
Loading...
Manuel d’instructions du Macurco RD-XX
RÉV1.0 [34-2900-0511-7] 12 | Page
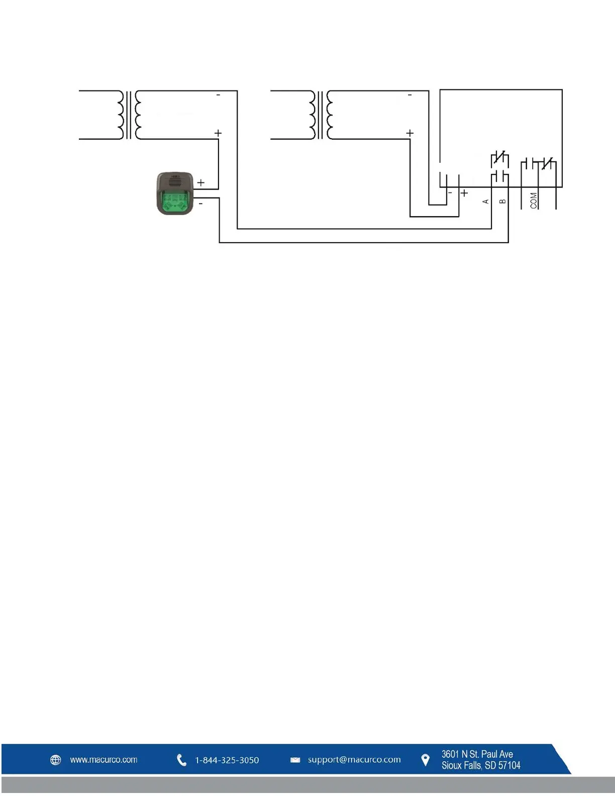
Figure 3-8: Branchements de l’avertisseur sonore/visuel (Série 6)
3.2.2 Tension de secteur (Série 12)
1. Le RD-12 s’installe sur un coffret électrique de 10 cm carré (ou 10x10, soit 4 po carré ou 4x4), fourni par le prestataire. Ne pas
installer le RD-12 à l’intérieur d’un autre boîtier, à moins que la circulation de l’air soit correcte.
2. Les contacts secs du relais avertisseur présentent également deux bornes, là encore sans préférence de polarité. Le relais avertisseur
peut être paramétré jusqu’à 0,5 A 120 V, ou 60 VA. Le relais avertisseur est activé si la concentration en gaz atteint ou dépasse la
valeur définie lors du paramétrage de l’avertisseur. Consulter la section FONCTIONNEMENT du présent document pour obtenir plus
d’informations sur les réglages des relais.
3. Le relais avertisseur peut être paramétré de deux façons: Normalement Ouvert (N.O. par défaut) ou Normalement Fermé (N.F.). Il
s’enclenchera si la concentration en gaz dépasse la valeur de consigne de l’avertisseur. Une fois la concentration en gaz redescendu
en dessous de la valeur de consigne de l’avertisseur, le relais sera désactivé. Attention: si le relais avertisseur est « désactivé », il ne
s’enclenchera pas.
4. Le relais ventilateur avec contacts secs et interrupteur unipolaire bidirectionnel comporte trois bornes: Le contact commun (COM.),
le contact normalement ouvert (N.O.) et le contact normalement fermé (N.F.). Le relais ventilateur peut être paramétré jusqu’à
5,0 A et 240 VCA. Consulter la section FONCTIONNEMENT du présent document pour obtenir plus d’informations sur les réglages
des relais.
5. Le relais ventilateur peut être à verrouillage ou non (par défaut) une fois celui-ci enclenché (lorsque la concentration en gaz dépasse
la valeur de consigne du relais ventilateur). Lorsqu’il est verrouillé, l’alimentation devra être interrompue ou le bouton « TEST »
devra être appuyé pour déverrouiller l’état du relais.
6. Le relais ventilateur ne s’enclenche que si la concentration en réfrigérant des paramètres du ventilateur a été dépassée depuis plus
longtemps que la durée de temporisation du relais du ventilateur. À moins que le relais ventilateur ne soit à verrouillage, il se
désenclenchera uniquement si les deux conditions suivantes sont réunies:
La concentration en gaz réfrigérant est redescendue en dessous de la valeur de consigne du ventilateur.
Le temps de fonctionnement du relais ventilateur est dépassé.
Attention: si le relais ventilateur est « désactivé », il ne s’enclenchera. Le relais ventilateur s’enclenche lorsqu’un défaut survient (si
l’option de réglage du ventilateur en cas de défaut est paramétrée sur « ON ») et se désenclenche une fois que le défaut est résolu.
La boucle de courant est réglée sur 4 mA pour l’air pur, et sur 4 à 20 mA pour une concentration de gaz réfrigérant de 0 à 1000 ppm.
ALIMENTATION
RELAIS
AVERTISSEUR
Relais ventilateur
SDPT
ALIMENTATION
ALIMENTATION
Transformateur
Transformateur
Avertisseur
sonore/lumineux
Extérieur du Macurco
16-33 V CD
ou
12-24 V CA
12-32 V CC
16-33 V CC
N.F.
ou
N.O.
N.F.
N.O.

Table of Contents

Related product manuals