EasyManua.ls Logo

Macurco RD-6 - Page 42

Macurco RD-6
63 pages
Print Icon
To Next Page IconTo Next Page
To Next Page IconTo Next Page
To Previous Page IconTo Previous Page
To Previous Page IconTo Previous Page
Loading...
Manuel d’instructions du Macurco RD-XX
RÉV1.0 [34-2900-0511-7] 11 | Page
La détection du gaz et la commande du ventilateur de circulation sont assurées par le système Macurco DVP-120. Ce système utilise des
transducteurs de gaz Macurco. Chaque transducteur mesure la concentration en gaz cible et transmet cette information au DVP-120 par le
biais de la boucle de courant 4-20 mA. Les transducteurs fonctionnent à basse tension (24 VCC). Les liaisons d’alimentation et de transmission
de signal proviennent du panneau de commande DVP-120 par le biais d’un câble non-blindé à quatre conducteurs. Le panneau de commande
DVP-120 comporte trois relais qu’il est possible d’utiliser pour commander la ventilation ou le ventilateur ou signaler des alarmes. Ces relais
(unipolaire bidirectionnel, forme C) sont uniquement destinés à l’asservissement et présentent une capacité de commutation de 10 A jusqu’à
240 VCA.
Remarque: Les raccordements d’alimentation du transducteur ne présentent pas de polarité.
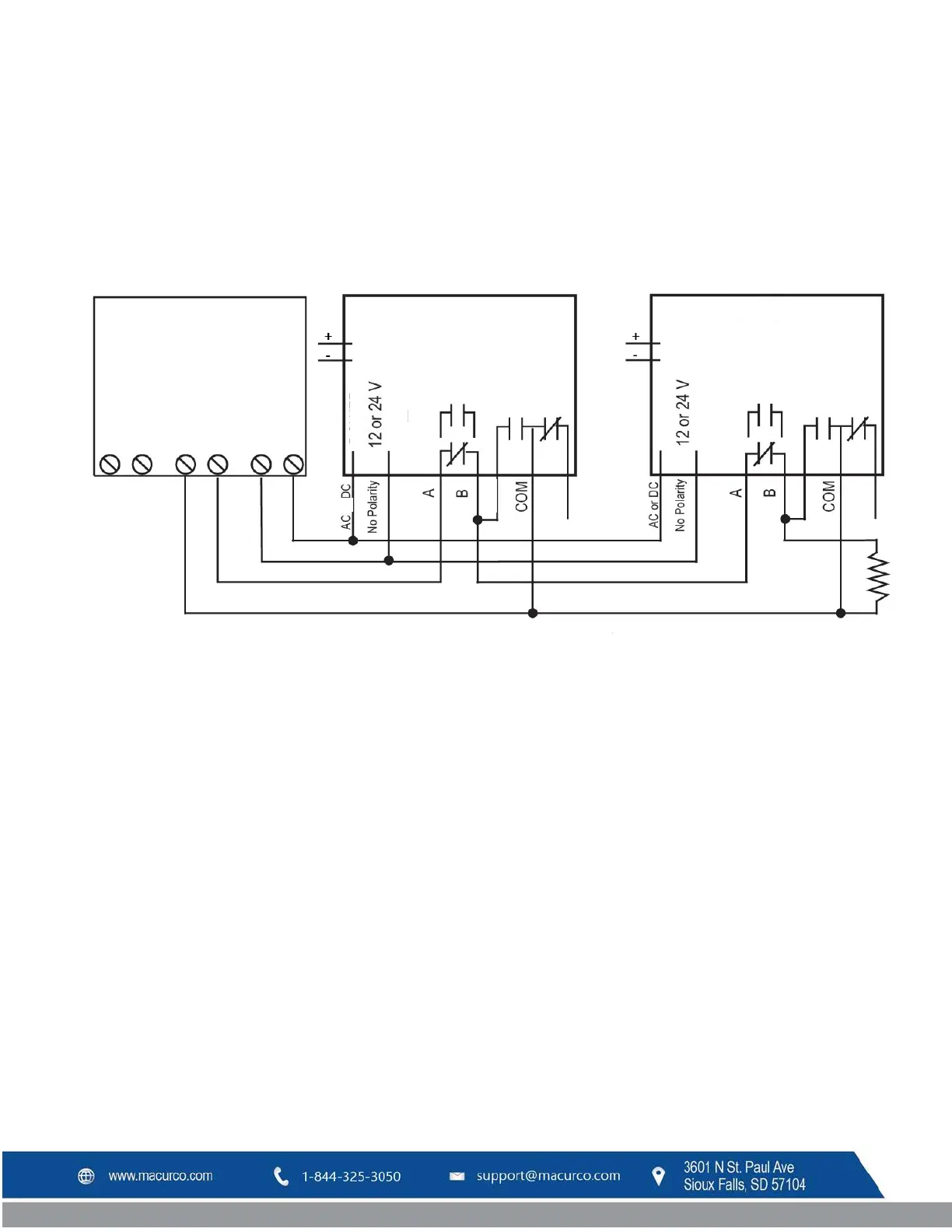
Figure 3-7: Schéma du panneau de commande de l’avertisseur alternatif (Série 6)
Dans le cadre de cette application (voir ci-dessus), le relais ventilateur ou primaire sert de relais avertisseur à faible concentration. Le relais
avertisseur ou secondaire sert quant à lui de relais de supervision lorsqu’il est utilisé dans le cadre d’une configuration normale. Le RD-6
surveille toutes les fonctions critiques de l’appareil grâce à des diagnostics logiciels qui testent et vérifient continuellement le fonctionnement
de l’équipement. Si une anomalie est détectée, l’équipement bascule en sureté intégrée/mode Erreur, ou en état de défaillance. En cas de
mode Erreur, les relais ventilateur* et avertisseur s’enclenchent, indiquant ainsi une défaillance au panneau de commande. L’affichage du RD-
6 transmet l’information à l’utilisateur. *Voir Réglage du ventilateur en cas de défaillance.
ALIMENTATION
RELAIS
AVERTISSEUR
Relais ventilateur
SDPT
Panneau de commande de
l'avertisseur
Boucle de courant
4
-20 mA
Fonctions auxiliaires telles
que les composeurs
Circuit de déclenchement
N.O. ou N.F.
Alimentation de secours 12
ou 24
V
ALIMENTATION
RELAIS
AVERTISSEUR
Relais ventilateur
SDPT
Boucle de courant
4
-20 mA
N.O.
ou
N.
F.
N.O.
ou
N.
F.
ou
N.F.
N.O.
N.F.
N.O.

Table of Contents

Related product manuals