EasyManua.ls Logo

Macurco RD-6 - Page 41

Macurco RD-6
63 pages
Print Icon
To Next Page IconTo Next Page
To Next Page IconTo Next Page
To Previous Page IconTo Previous Page
To Previous Page IconTo Previous Page
Loading...
Manuel d’instructions du Macurco RD-XX
RÉV1.0 [34-2900-0511-7] 10 | Page
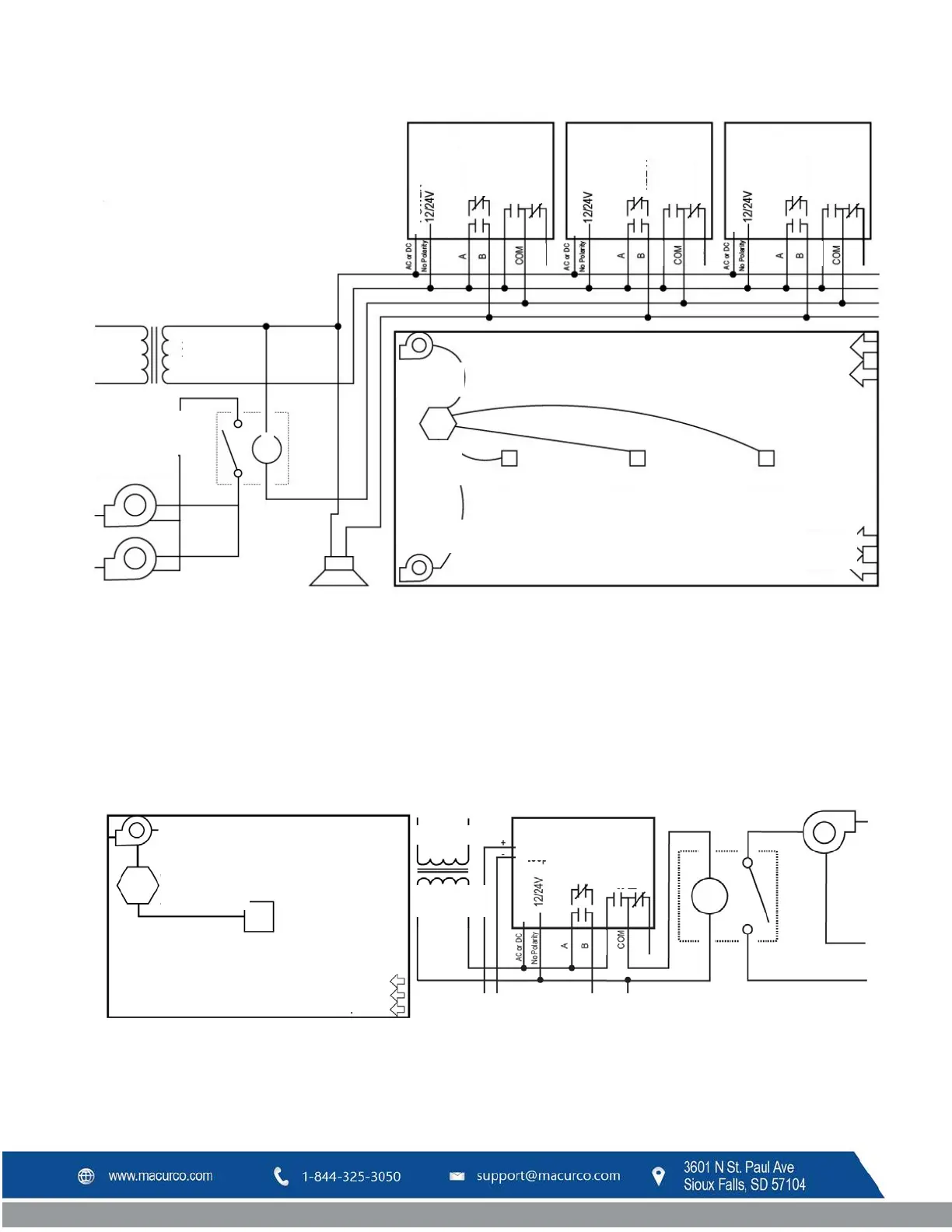
Figure 3-5: Schéma du panneau de commande d’alarme (Série 6)
1. Le RD-6 peut être utilisé avec des tableaux incendie de 12 ou 24 VCC.
2. Le tableau d'alarme assure l’alimentation de secours du RD-6.
3. Le relais à contact sec du RD-6 peut utiliser l’alimentation du tableau ou du ventilateur (consulter les valeurs nominales).
4. Adapter les contacts de relais du ventilateur à la puissance du ventilateur ainsi que la tension de bobine à la tension d’alimentation.
5. Les panneaux de commande d’alarme possèdent de nombreuses fonctions et peuvent commander d’autres équipements, tels que
des détecteurs de fumée, des détecteurs d’incendie et des alarmes antivol.
Figure 3-6: Schéma du panneau de commande DVP-120 (Série 6)
Ventilateur
d'évacuation
Organisation typique
dans un petit garage
Commandes
(transformateurs
et relais)
Installer au centre
Trappe, évent ou
clapet d'entrée d'air
Alimentation
Transformateur
24 VCA
Vers ordinateur ou
panneau de
commande
Vers avertisseur à
distance 24
VCA
Bobine de relais
24 VCA
Alimentation principale
du ventilateur
ALIMENTATION
RELAIS
AVERTISSEUR
Relais ventilateur
SDPT
Boucle de
courant
4-20 mA
Ventilateur
d'évacuation
ALIMENTATION
RELAIS
AVERTISSEUR
Relais ventilateur
SDPT
ALIMENTATION
RELAIS
AVERTISSEUR
Relais ventilateur
SDPT
ALIMENTATION
RELAIS
AVERTISSEUR
Relais ventilateur
SDPT
Alimentation
Transformateur
24 VCA
Alimentation principale
du ventilateur
Ventilateur d'évacuation
Ventilateur
d'évacuation
Ventilateur
d'évacuation
Bobine de
relais du
démarreur
24
VCA
Avertisseur
à distance
24
VCA
Commandes
(transformateurs
et relais)
Trappe, évent ou
clapet d'entrée d'air
Même espace entre
les capteurs
Trappe, évent ou
clapet d'entrée d'air
Bobine
Bobine
N.F.
ou
N.O.
N.F.
ou
N.O.
N.F.
ou
N.O.
N.F.
ou
N.O.
N.F
N.O.
N.F
N.O.
N.F
N.O.
N.F
N.O.

Table of Contents

Related product manuals