EasyManua.ls Logo

Macurco RD-6 - Page 16

Macurco RD-6
63 pages
Print Icon
To Next Page IconTo Next Page
To Next Page IconTo Next Page
To Previous Page IconTo Previous Page
To Previous Page IconTo Previous Page
Loading...
Macurco RD-xx User Manual
REV – 1.0 [34-2900-0511-7 ] 16 | Page
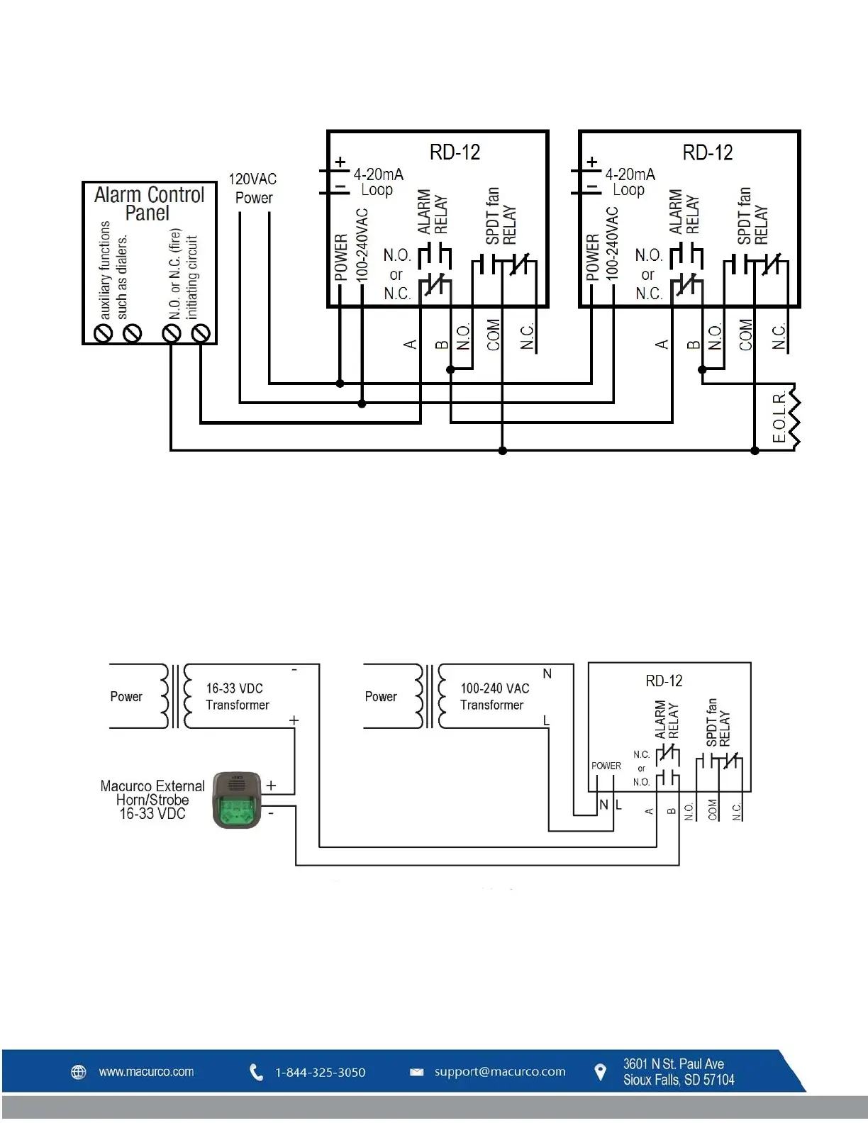
Figure 3-15 12-Series Alternate Alarm Panel
In this application (above) the Fan or primary relay is used as a low-level alarm relay. The Alarm or secondary relay is used as a
supervisory relay when utilized in the normally closed configuration. The RD-12 monitors all critical functions of the unit
through software diagnostics that continually test and verify its operations. If a problem is found, the unit will switch to a fail-
safe/error mode or trouble condition. In this error mode the Fan* and Alarm relays will be activated indicating the trouble
condition at panel and the RD-12 display will flash the error. *See the Trouble Fan Setting Option.
Figure 3-16 12-Series Horn & Strobe Combo Wiring

Table of Contents

Related product manuals