EasyManua.ls Logo

magicpak HWC8 V Series - Wiring Diagrams

magicpak HWC8 V Series
19 pages
Print Icon
To Next Page IconTo Next Page
To Next Page IconTo Next Page
To Previous Page IconTo Previous Page
To Previous Page IconTo Previous Page
Loading...
507388-03 Issue 2110 Page 17 of 19
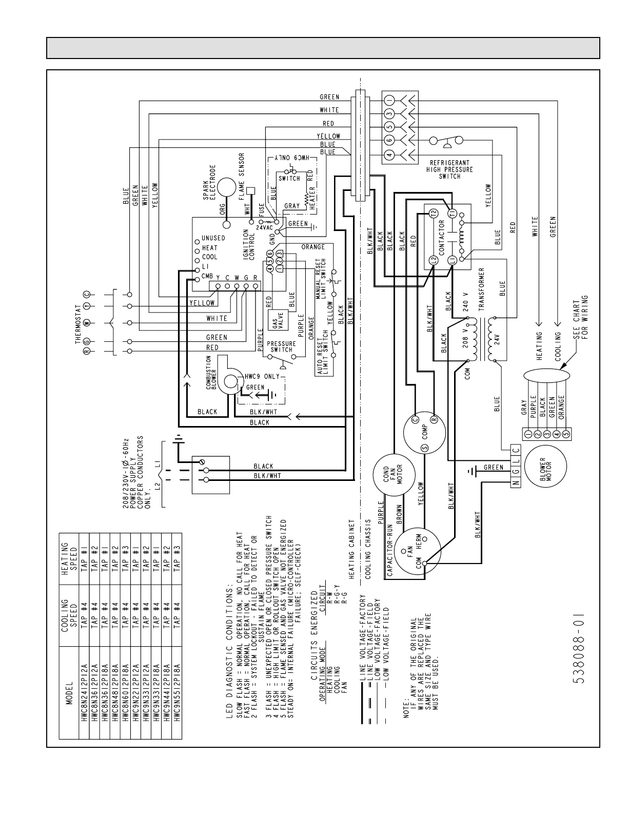
Figure 10. Wiring Diagram - HWC*12,18
Wiring Diagrams

Related product manuals