EasyManua.ls Logo

magicpak HWC8 V Series - Page 19

magicpak HWC8 V Series
19 pages
Print Icon
To Previous Page IconTo Previous Page
To Previous Page IconTo Previous Page
Loading...
507388-03 Issue 2110 Page 19 of 19
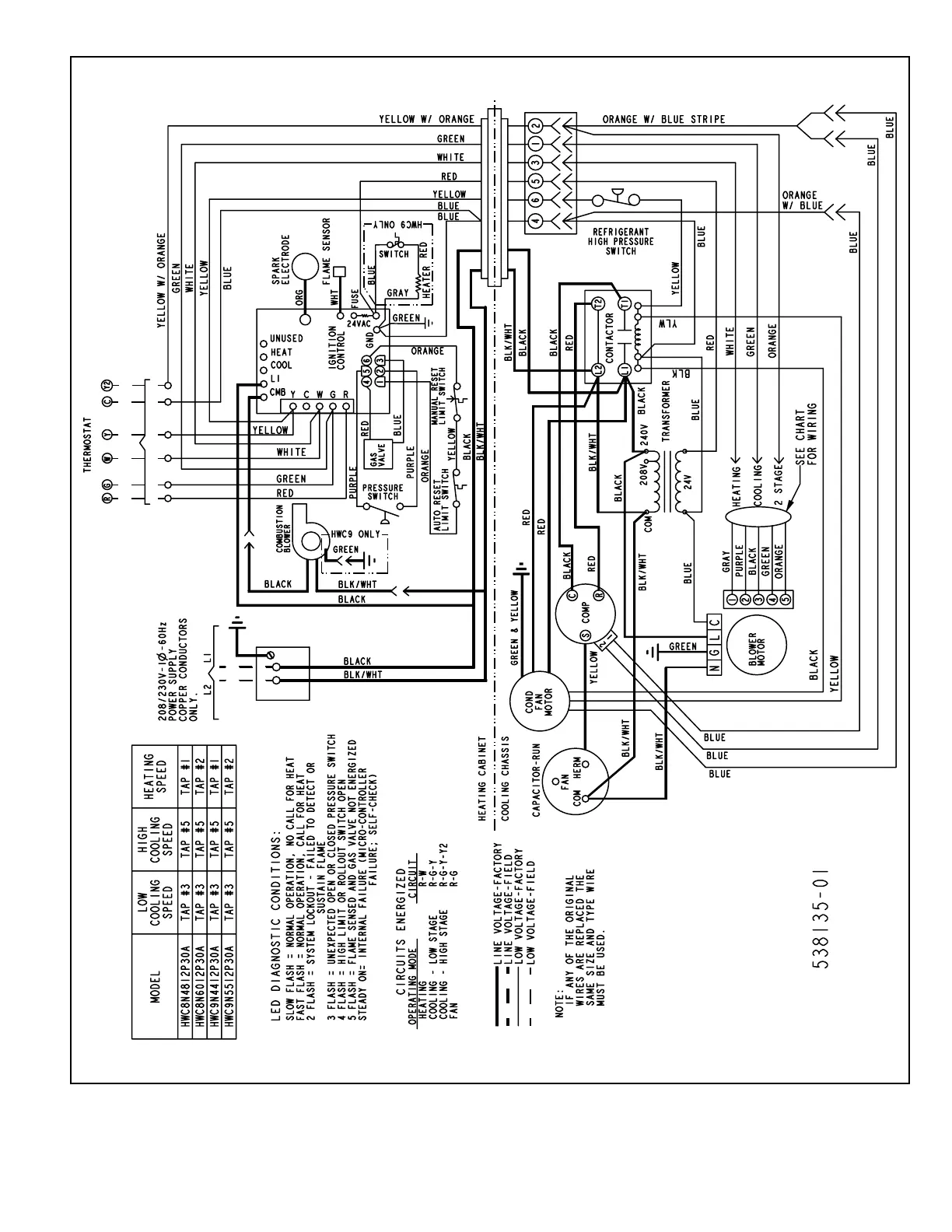
Figure 12. Wiring Diagram - HWC*30

Related product manuals