EasyManua.ls Logo

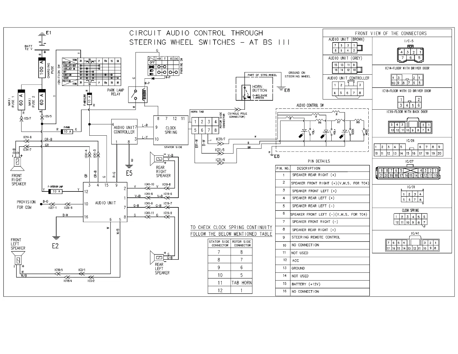
Mahindra SCORPIO Vlx - Circuit Audio Control through Steering Wheel Switches

Mahindra SCORPIO Vlx
51 pages
Print Icon
To Next Page IconTo Next Page
To Next Page IconTo Next Page
To Previous Page IconTo Previous Page
To Previous Page IconTo Previous Page
Loading...
MAN-00039
Rev1/Sep2008 39

Other manuals for Mahindra SCORPIO Vlx

Related product manuals