Home
Maier
Sewing Machine
252
Page 14
Maier 252 - Page 14
34 pages
Manual
Save Page as PDF
To Next Page
To Next Page
To Previous Page
To Previous Page
Loading...
14
Sewing machine table
top for model
s 240, 241, 251, 252
, 261, 281, 352
Sewing machine table
top for model
s 240, 241
, 251, 252, 261, 281
, 352 wi
th sub-class 46/2
13
15
Table of Contents
Main Page
Table of Contents
2
Manufacturer's Declaration
3
General Notes
5
Directives
5
Safety Notes
5
Safety Symbols
6
Items Requiring the Operator's Special Attention
6
Operators and Specialist Staff
7
Operators
7
Specialist Staff
7
Hazard Warnings
8
Transport, Packaging and Storage
8
Installation and Initial Commissioning
8
Care of the Machine
8
Disposal of the Machine
9
Assembly of the Machine
10
Installation Instructions
10
Mounting Instructions for the Mini-Motor 46 Attachment Kit
11
Classes 221 /241/ 251 / 261 /271
11
Classes 252/352
11
Automatic Frame Drop Device
12
Accessories
12
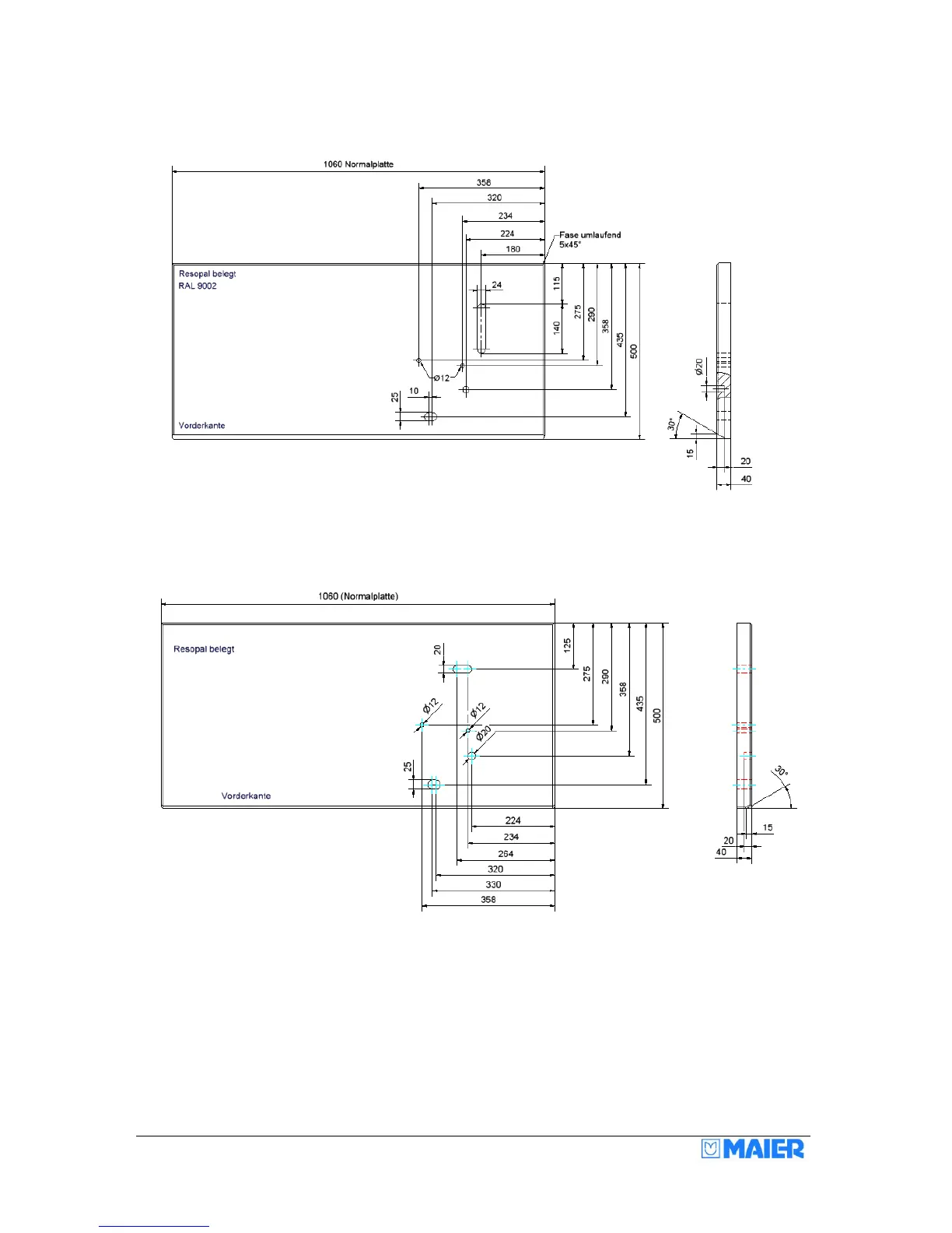
Sewing Machine Table Tops
13
Operation
15
Threading
15
Machine Without Thread Cutter (Fig. 1)
15
Machine with Thread Cutter (Fig. 2)
15
Inserting the Cloth and Sewing
16
Blind Stitch Hems on the Hem Edge
16
Blind Stitch Hems on the Cloth Tuck
16
Setting the Stitch Depth (Penetration)
18
Classes 220, 221, 240, 241, 251, 261, 271
18
Classes 252 and 352
19
Setting the Cloth Retainers for Classes 251, 261, 271, 281, 252, 352
21
Setting the Helical Spring
21
Fitting the Needle
22
Checking the Needle Motion
22
Skip Stitch Device
23
Instructions for the Mechanic
24
Setting the Stitch Plate
24
Basic Setting of the Needle Movement
25
Fitting and Checking the Looper
25
Adjusting the Looper
26
Adjusting the Height of the Looper
26
Adjusting the Lateral Position of the Looper
26
Adjusting the Looper Stroke
27
Setting the Thread Take-Up Cam
27
Stitch Length Adjustment
28
Plunger (Rib Shaft) Adjustment
29
Radial Position
29
Axial Position
29
Play
30
Setting the Plunger (Rib Shaft) Timing
30
Plunger (Rib Shaft) Skip Stitch Timing
30
Feed Dog Adjustment
31
Sewing Faults and How to Remedy Them
32
Sewing Tools
33
Technical Data
34
Related product manuals
Maier 251
34 pages
Maier 220
34 pages
Maier 221
34 pages
Maier 352
34 pages