EasyManua.ls Logo

Man L23/30DF - Internal cooling water system

Man L23/30DF
392 pages
Print Icon
To Next Page IconTo Next Page
To Next Page IconTo Next Page
To Previous Page IconTo Previous Page
To Previous Page IconTo Previous Page
Loading...
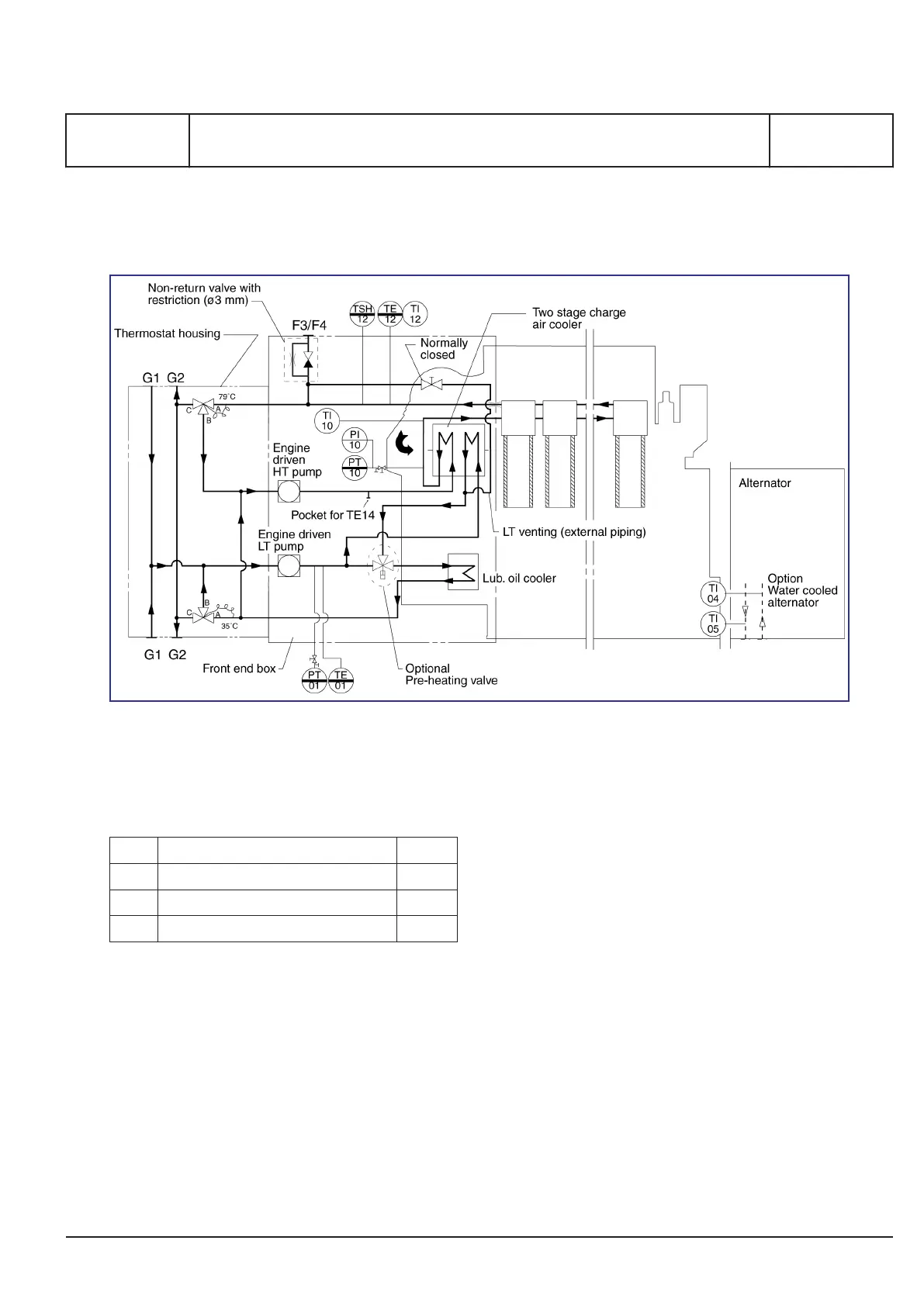
Internal cooling water system
Figure 1: Diagram for internal cooling water system (for guidance only, please see the plant specific engine diagram)
Pipe description
F3 Venting to expansion tank DN 25
F4 HT fresh water for preheating DN 25
G1 LT fresh water inlet DN 100
G2 LT fresh water outlet DN 100
Table 1: Flange connections are standard according to DIN 2501
Description
The system is designed as a single circuit with only
two flange connections to the external centralized
cooling water system.
The engine is equipped with a self-controlling tem-
perature water circuit.Thus, the engine on the cool-
ing water side only requires fresh water between 10
and 40°C and so the engine can be integrated in
the ship's cooling water system as a stand-alone
unit. This is a simple solution with low installation
costs, which also can be interesting in case of
repowering, where the engine power is increased,
and the distance to the other engines is larger.
Low temperature circuit
The components for circulation and temperature
regulation are placed in the internal system.
The charge air cooler and the lubricating oil cooler
are situated in serial order. After the LT water has
passed the lubricating oil cooler, it is let to the ther-
mostatic valve and depending on the water temper-
ature, the water will either be re-circulated or led to
the external system.
Preheating of charge air
Below approx. 40% load water is bypassed for LT-
side of charge air cooler and led directly to lub. oil
cooler. This is done to raise charge air temperature
and improve combustion. At the connection F3/F4
for the expansion tank there is a non-return valve
MAN Diesel & Turbo
3700201-8.0
Page 1 (2)
Internal cooling water system
B 13 00 3
L27/38S, L27/38
2015.04.23 - Tier II - one string

Table of Contents

Related product manuals