EasyManua.ls Logo

Manitou MHT10120 - Page 143

Manitou MHT10120
158 pages
Print Icon
To Next Page IconTo Next Page
To Next Page IconTo Next Page
To Previous Page IconTo Previous Page
To Previous Page IconTo Previous Page
Loading...
4
29
MHT 10120 L M
SS
eries
D.F.
(140x65x170)
Ø 1.2
Ø 1.2
V.L.*
E.C.L.
I.D.(LS)
I.D.(P)
D
COLLET.2
COLLET.1
COLLET.2
MC
COLLET.2
VCLR
VSLR
(105x75x1095)
(135x95x510)
(105x80x3973)
(180x115x1540)
23 BAR
0,7 LITRE
A
300b
CSP
C2
V2
C1
V1
VI
VC
VL
300b
C2 C1
V2
300b
V1
CPD
P
L
VT
FA
R
C2C1
V1 V2
CSD
300b300b
V1
C1
V2
C2
CSP
300b
PH(G)
E.V.S.
T
175bar
LB
A
M.V.
P.
FA
R.F.S.
FS
COLLET.3
VM
B
S
X
L
pst
280 bar
T
A3
B3
A2
B2
A1
B1
TELESKOP
OPTION
LIFTING
LS
300 bar
30 bar/ 15L/min
()
ø0.8
S
P
()
ø0.8
ø2.0
ø0.8
ø2.0
ø0.8
SX
()
ø1.6
320 bar
)
(
350 bar
A4
B4
TILTING
200 bar
ø2.0
ø0.8
ø2.0
ø0.8
MP
a4
a3
a2
a1
b1
b2
b3
b4
280 bar
200bar
21
PT
BA
12
3
4
T
P
M
(135x95x510)
300b
CSP
C2
V2
C1
V1
VI
205bar
PA
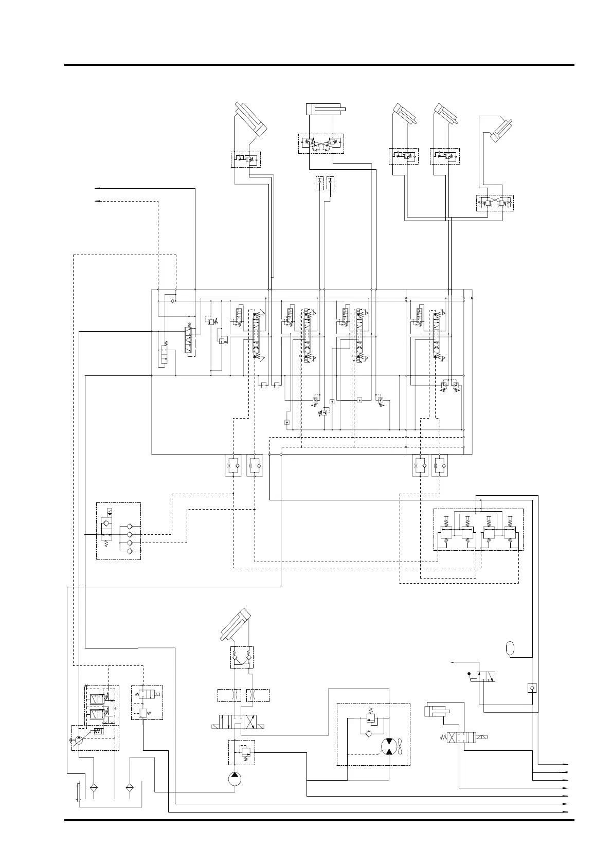
MOVEMENT HYDRAULIC SYSTEM DIAGRAM
INTRODUCTION TO SAFETY

Related product manuals