EasyManua.ls Logo

Manitou MHT10120 - Page 147

Manitou MHT10120
158 pages
Print Icon
To Next Page IconTo Next Page
To Next Page IconTo Next Page
To Previous Page IconTo Previous Page
To Previous Page IconTo Previous Page
Loading...
4
33
MHT 10120 L M
SS
eries
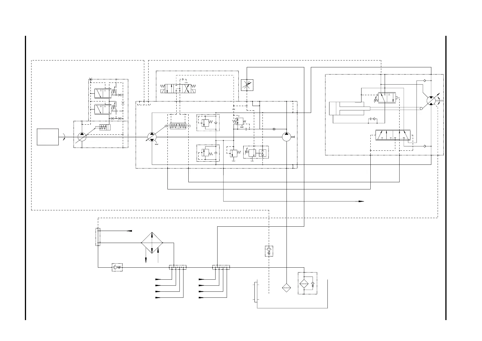
TRANSMISSION HYDRAULIC SYSTEM DIAGRAM
PH (G)
MT
M
MC
ID
RFS
M.V.
3bar
S
P
B
M
B
A
A
2
1
X
X MSG
2
T1TR
TA
BX
1
X
2
ba
FR
10
MICRONS
2bar
FA
Rd
R
3bar
VI
PH
MI
MC + RFS + M
VSLR
COLETTORE 1
COLETTORE 2 COLETTORE 3
D
VSLR
D.F.
V.M.
512 bar
512 bar
465 bar
32 bar
P
L
B
S
X
INTRODUCTION TO SAFETY

Related product manuals