EasyManua.ls Logo

Manitowoc QD0202A - Q1300;Q1600;Q1800 - Remote - 3 Phase Without Terminal Board

Manitowoc QD0202A
175 pages
Print Icon
To Next Page IconTo Next Page
To Next Page IconTo Next Page
To Previous Page IconTo Previous Page
To Previous Page IconTo Previous Page
Loading...
Electrical System Section 6
6-36 Part No. 80-1100-3
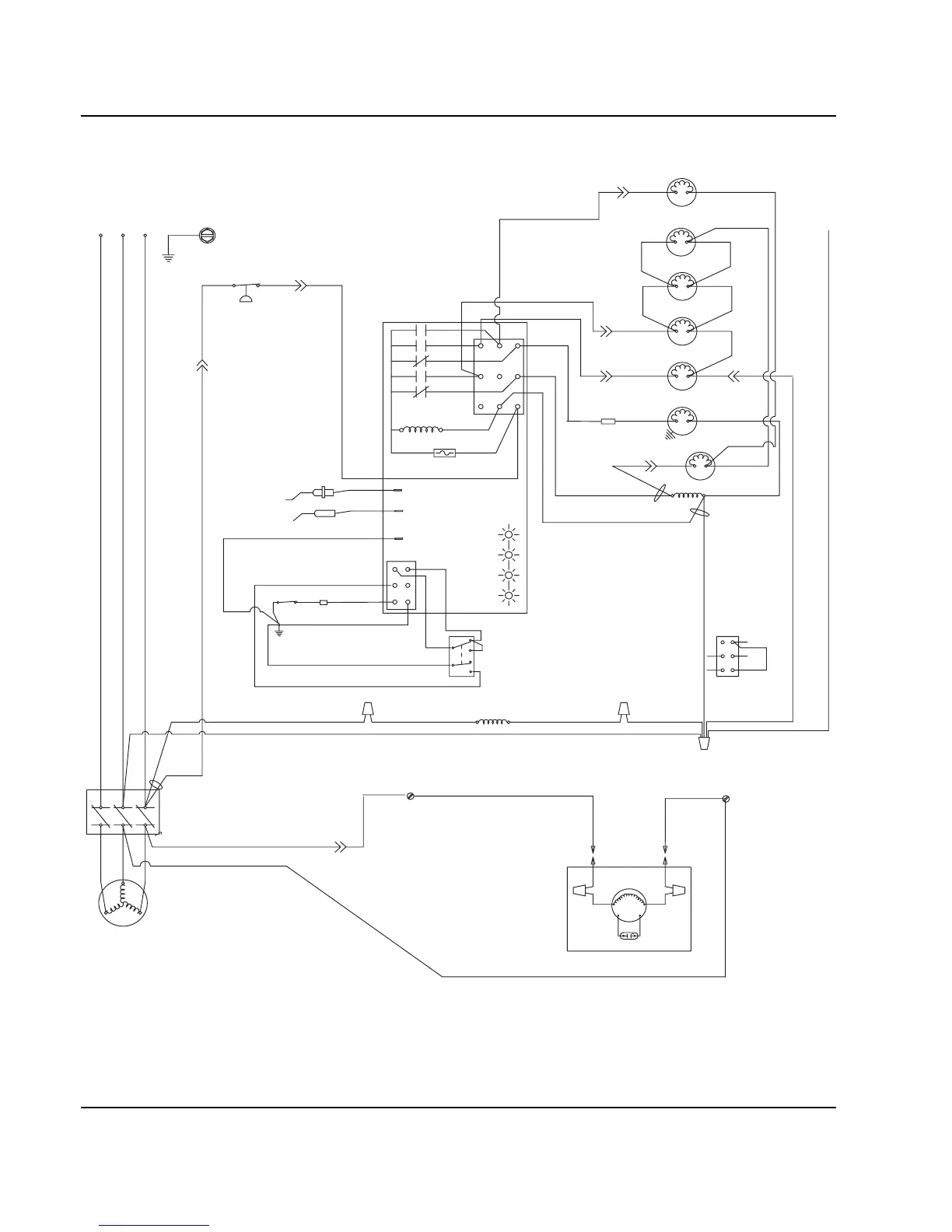
Q1300/Q1600/Q1800 - REMOTE - 3 PHASE WITHOUT TERMINAL BOARD
(55)(89)
(88)
(42)
(51)
(95) (94)
(96) (96)
NOTE: WIRE (96) IS NOT USED ON 50HZ
(77)
(76)
(98)
(59)
(99)
(75)
HPR
SOLENOID
(87)
(88)
(79)
(78)
RH HARVEST
SOLENOID
DUMP
SOLENOID
(81)
(80)
WATER
PUMP
LIQUID LINE
SOLENOID
(82)(83)
HIGH PRES
CUTOUT
CONTACTOR
CONTACTS
L1
COMPRESSOR
REMOTE
FAN MOTOR
RUN CAPACITOR
SEE SERIAL PLATE FOR VOLTAGE
CAUTION: DISCONNECT POWER BEFORE WORKING
ON ELECTRICAL CIRCUITRY.
DIAGRAM SHOWN DURING FREEZE CYCLE
REMOTE CONDENSER
L3 L2 L1
L2
L3
T2
T3
T1
(F1)
(F2)
(61)
(20)
(60)
(57)
(58)
1F
1C
4
2
1
5
FUSE (7A)
TRANS.
(56)
(74)
ICE THICKNESS PROBE
BIN SWITCH LIGHT
HARVEST LIGHT/
SAFETY LIMIT CODE LIGHT
LOW D.C.
VOLTAGE
PLUG
CONTACTOR
COIL
(64)
(63)
BIN SWITCH
(62)
(66)
(65)
(69)
(67)
(68)
TOGGLE SWITCH
68
67
69
66
62
ICE
OFF
CLEAN
(62)
VIEW FOR WIRING
INTERNAL WORKING
VIEW
CLEAN LIGHT
WATER LEVEL LIGHT
WATER LEVEL PROBE
3
(22)
(21)
WATER
N - 50 H
Z
ONL
Y
VALVE
1G
NOT USED
LH HARVEST
SOLENOID
SV2077

Table of Contents

Related product manuals