EasyManua.ls Logo

Manitowoc QR0600A - Q800;Q1000 -Remote - 3 Phase with Terminal Board

Manitowoc QR0600A
175 pages
Print Icon
To Next Page IconTo Next Page
To Next Page IconTo Next Page
To Previous Page IconTo Previous Page
To Previous Page IconTo Previous Page
Loading...
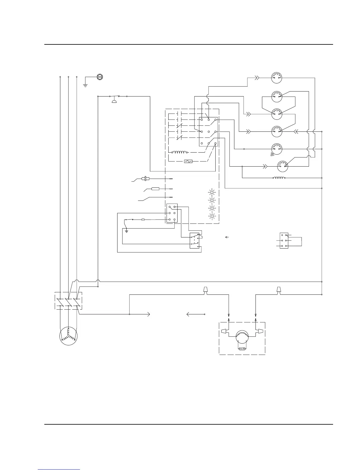
Section 6 Electrical System
Part No. 80-1100-3 6-31
Q800/Q1000 -REMOTE - 3 PHASE WITH TERMINAL BOARD
TB31
TB37
TB32
TB35
TB34
(53)
TB33
(52)
(55)
(77)
(76)
(98)
(59)
(99)
(75)
HPR
SOLENOID
(79)
(78)
HARVEST
SOLENOID
DUMP
SOLENOID
(81)
(80)
WATER
PUMP
LIQUID LINE
SOLENOID
TB3
0
TB3
0
(82)
(83)
HIGH PRES
CUTOUT
TB3
0
TB3
0
CONTACTOR
CONTACTS
L1
(96)
(42)
COMPRESSOR
REMOTE
FAN MOTOR
RUN CAPACITOR
S
EE SERIAL PLATE FOR VOLTAGE
CAUTION: DISCONNECT POWER BEFORE WORKING
ON ELECTRICAL CIRCUITRY.
DIAGRAM SHOWN DURING FREEZE CYCLE
REMOTE CONDENSER
L3 L2 L1
L2
L3
TB35
T2
T3
T1
TERMINATES AT
PIN CONNECTION
(F1)
(F2)
(61)
(60)
(57)
(58)
1F
1C
4
1
3
5
FUSE (7A)
TRANS.
(56)
ICE THICKNESS PROBE
TB3
0
BIN SWITCH LIGHT
HARVEST LIGHT/
SAFETY LIMIT CODE LIGHT
LOW D.C.
VOLTAGE
PLUG
(74)
(73)
TB3
0
CONTACTOR
COIL
(64)
(63)
BIN SWITCH
(62)
(66)
(65)
(69)
(67)
(68)
TOGGLE SWITCH
68
67
69
66
62
ICE
OFF
CLEAN
(62)
VIEW FOR WIRING
INTERNAL WORKING
VIEW
CLEAN LIGHT
WATER LEVEL LIGHT
WATER LEVEL PROBE
2
(22)
(21)
WATER
VALVE
1G
AUCS DISPENSE TIME
(20)
SV1649

Table of Contents

Related product manuals