EasyManua.ls Logo

Manitowoc RFS1200 - Page 51

Manitowoc RFS1200
284 pages
Print Icon
To Next Page IconTo Next Page
To Next Page IconTo Next Page
To Previous Page IconTo Previous Page
To Previous Page IconTo Previous Page
Loading...
Part Number 000007661 11/16 51
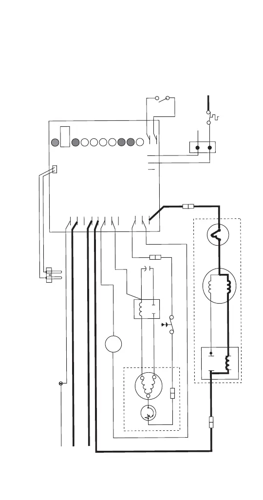
Step 4 The bin/dispenser fills and the bin thermostat
opens. The BE light de-energizes and 10 seconds later
the BT light energizes and the C light de-energizes. The
compressor and fan motor stop, although the gear motor
will run for an additional 60 seconds.
GRD
L1
L1
L2
L2
L2
L2
L2
COMPRESSOR
FAN
DRIVE
DR
C
20M
60M
2ND
WTR
B-T
B-E
RESET
GRD
G
B
W
FAN
BLACK
WHITE
BLACK
BLACK
R
ORANGE
S
S
L
COMPRESSOR
C
RED
BLACK
BLACK
WHITE
INPU
T
POWER
WATER
SENSOR
CONTROL
BOARD
KC
ALB
GEARMOTOR
24V
NOMMOC
CAV ENIL
RED
RED
WHITE
BIN T-STAT
WHITE
RED
WHITE
M
1
COMPRESSOR
SWITCH
PWR
BLACK
T.O.L.
BLACK
RED
HIGH PRESSURE
SAFETY SWITCH
4
2
3
RUN
START
T.O.L.
EULB
YELLOW
BLACK
WH
ITE
M
BLACK

Table of Contents

Related product manuals