EasyManua.ls Logo

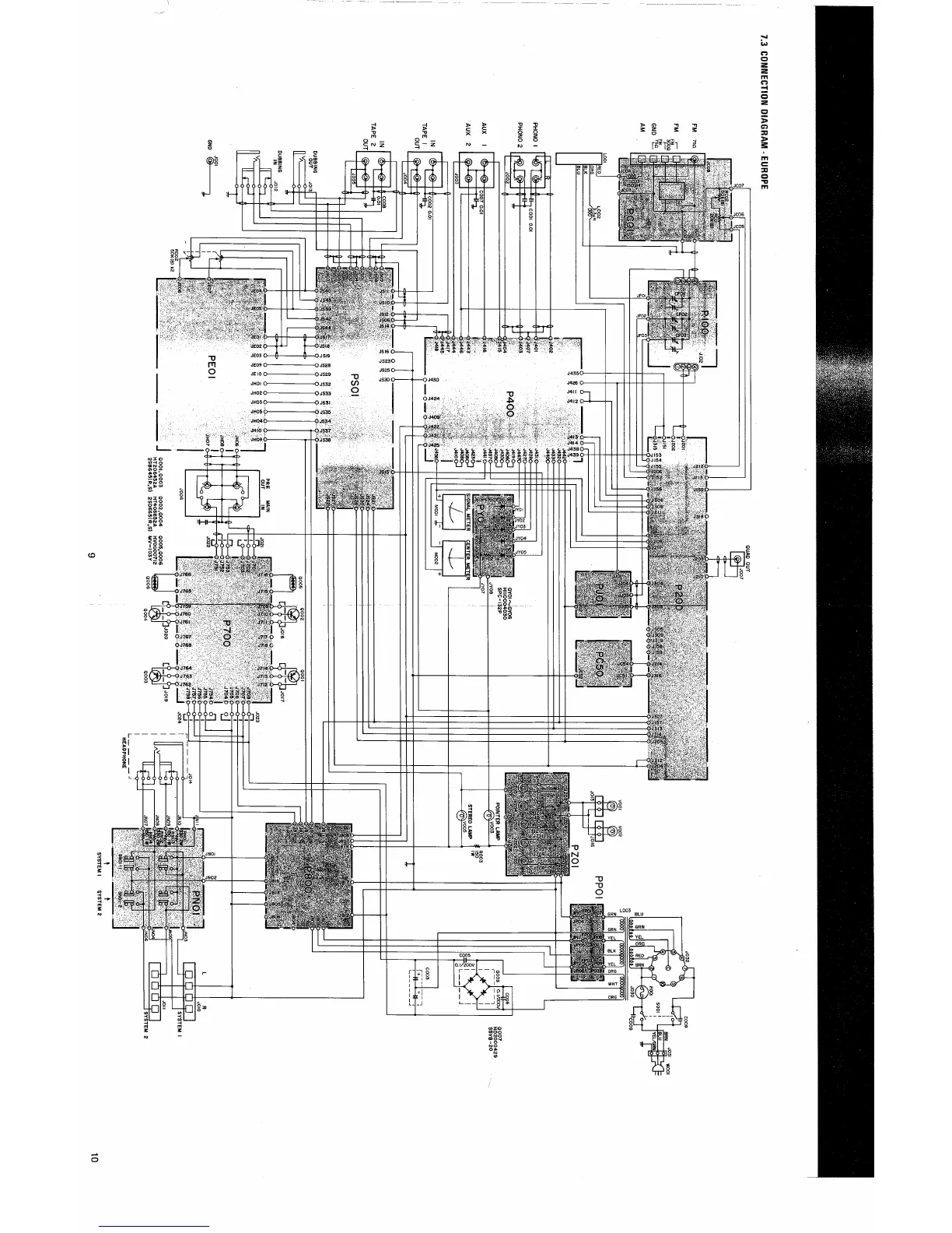
Marantz 2265B - Connection Diagram - Europe

Marantz 2265B
44 pages
Print Icon
To Next Page IconTo Next Page
To Next Page IconTo Next Page
To Previous Page IconTo Previous Page
To Previous Page IconTo Previous Page
Loading...

Related product manuals